Описание
Датчики контроля минимальной скорости предназначены для контроля аварийного снижения скорости вращения или движения различных устройств: барабанов, конвейеров, ленточных и ковшовых транспортеров. Может использоваться для контроля аварийного проскальзывания ленты на транспортере. Датчик контроля минимальной скорости IV11B АT81A5-02G-10-L является бесконтактным индуктивным выключателем со встроенной схемой контроля частоты импульсов воздействия управляющего объекта на этот датчик. При снижении частоты воздействия ниже установленной, датчик отключает нагрузку. Необходимое значение минимальной частоты устанавливается с помощью подстроечного резистора. Датчик обеспечивает задержку при первоначальном включении, необходимую для разгона механизма после подачи питания и достижения заданной частоты следования импульсов воздействия. Величина задержки постоянная для данного типа датчиков и равна tвкл.= 9±2с.
| Характеристики | |
| Размер корпуса, ДxШxДл | M30x1,5x112 |
| Тип монтажа | Встраиваемый |
| Номинальное расстояние срабатывания | 10 мм |
| Способ подключения | Клеммы |
| Материал корпуса | Д16Т |
| Диаметр резьбового корпуса | M30 |
| Длина в мм. | 112 |
| Тип корпуса | Цилиндрический резьбовой |
| Корпус | диаметр от 27 до 50 мм |
| Диапазон рабочих напряжений, Uраб. | 90...250 В AC |
| Остаточный ток | 2,5 мА |
| Падение напряжения при Iраб., Ud | ≤5 В |
| Тип контакта / Структура выхода | Размыкающий |
| Присоединение / Подключение | Клеммник |
| Заземляющий вывод | Есть |
| Комплексная защита | Нет |
| Степень защиты по ГОСТ 14254-96 | IP65 |
| Диапазон рабочих токов, Iраб. | 10...500 мА |
| Диапазон регулировки | 0,1...2,5 Гц |
| Задержка срабатывания | 9 ± 2 c |
| Импульсный ток, Iимп. При t=20 мс | 8A f=1 Гц |
| Индикация импульсов воздействия | Есть (красный) |
| Индикация минимальной скорости | Есть (желтый) |
| Диапазон рабочих температур | -25°С...+75°С |
| Рабочий зазор | 0...8 мм |
| Решение специальных задач | для контроля минимальной скорости |
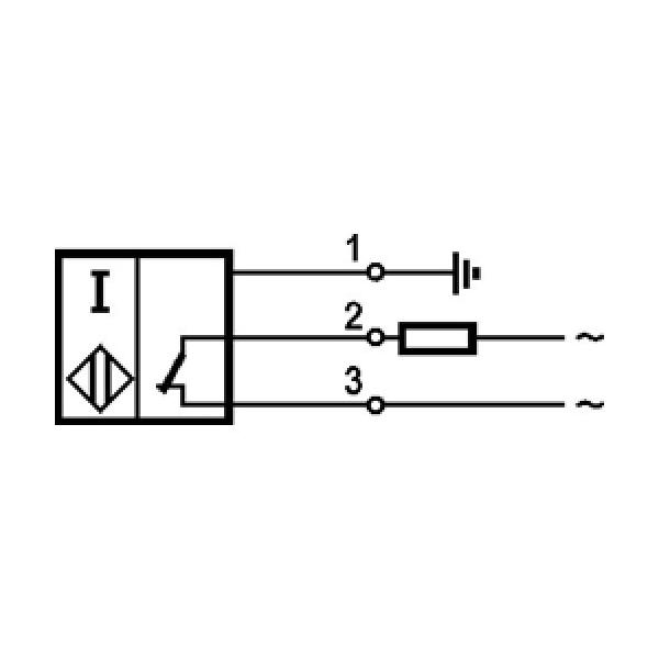
| Схема подключения | 3х проводный |
| +375 (29) 661-00-15 | ![]() |















