Описание
Датчик контроля схода конвейерной ленты взрывозащищённый ДКСЛв-71212-05 предназначен для предупреждения бокового схода конвейерной ленты с роликоопор. С помощью пары датчиков, установленных по обе стороны конвейера, производится мониторинг смещения ленты влево или вправо. Датчик может применяться в качестве элемента автоматизированных систем для управления технологическими процессами.Область применения – подземные выработки шахт и их наземные строения, опасные по рудничному газу (метану) и (или) горючей пыли, а также взрывоопасные зоны помещений и наружных установок в соответствии с присвоенной маркировкой взрывозащиты, требованиями ГОСТ IEC 60079-14-2013 и отраслевых Правил безопасности, регламентирующих применение данного оборудования во взрывоопасных зонах. Датчики относятся к взрывобезопасному оборудованию, имеют маркировку взрывозащиты по ГОСТ 31610.0-2014, ГОСТ 31610.11-2014, ГОСТ Р МЭК 60079-18-2012:– PO Ex ia ma I Ma Х / 0Ex ia ma IIC T4 Ga ХЗнак «Х» в маркировке взрывозащиты датчиков указывает на специальные условия их безопасного применения:– к входным искробезопасным электрическим цепям датчиков могут подключаться устройства, выполненные с видом взрывозащиты «искробезопасная электрическая цепь уровня ia» и имеющие действующие сертификаты соответствия, допускающие возможность их применения во взрывоопасных зонах или вне взрывоопасных зон в качестве связанного оборудования. Электрические параметры подключаемых устройств с учётом линии связи: напряжение, ток, мощность, индуктивность и электрическая ёмкость должны соответствовать искробезопасным параметрам датчиков;– датчики должны устанавливаться в местах, где исключена возможность воздействия на их корпус ударных механических нагрузок.Датчики обеспечивают непрерывный круглосуточный режим работы.Сертификат соответствия №ЕАЭС RU C-RU.AM02.B.00434/20 от 02.11.2020Взрывозащищенность датчиков обеспечивается взрывозащитой видов «искробезопасная электрическая цепь «i» по ГОСТ 31610.11-2014 и «герметизация компаундом «m» по ГОСТ Р МЭК 60079-18-2012.Взрывозащищённость обеспечивается следующими мерами:– питание датчиков осуществляется от сертифицированной искробезопасной цепи уровня «ia» для взрывоопасных смесей категории I и II согласно ГОСТ 31610.11-2014 от связанного электрооборудования с маркировкой взрывозащиты [Ex ia] I или [Ex ia Ga] IIC X;– электрические компоненты и цепи, входящие в конструкцию датчика, залиты компаундом; электрическая прочность изоляции искробезопасных цепей относительно корпуса датчика – 500 В.Конструкция датчиков отвечает всем относящимся к ним требованиям ГОСТ 31610.0-2014.
| Характеристики | |
| Размер прямоугольного корпуса, ДлxВxШ | 252x118x145 |
| Угол изменения состояния аварийного выхода датчика | 30° |
| Угол изменения состояния предупреждающего выхода датчика | 15° |
| Частота переключения, Fmax | 300 Гц |
| Степень защиты по ГОСТ 14254-96 | IP65 |
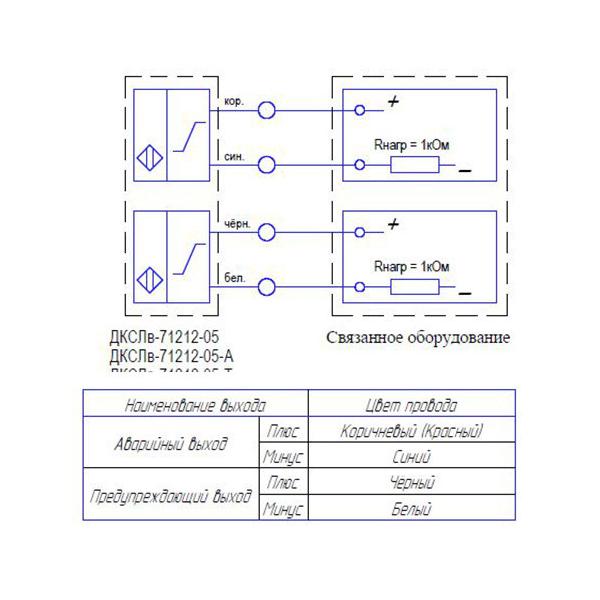
| Вид присоединения | Кабель 2х0,34 мм2; L=2м* |
| Входное сопротивление согласующего усилителя | 500…1000 Ом |
| Выходной ток с демпфированным генератором | 0,1 мА ≤ Iнд ≤ 1,0 мА |
| Выходной ток с недемпфированным генератором | 2,2 мА ≤ Iнд ≤ 6,0 мА |
| Гистерезис | <> |
| Коммутируемое напряжение, Uраб. | 7,7…9,0 В |
| Материал | ЛС59-1 |
| Номинальное напряжение питания, DC В | 8,2В |
| Пульсация питающих напряжений | ≤10% |
| Диапазон рабочих температур | –45°С...+65°С |
| Специальное исполнение | Взрывобезопасное исполнение |
| +375 (29) 661-00-15 | ![]() |















