Описание
Датчик - реле температуры TT ZG71P8-94U-03-P-C-0,9 предназначен для управления системами поддержания температуры в жидких рабочих средах. Датчик - реле температуры имеет в своем составе два независимых реле. TT ZG71P8-94U-03-P-C-0,9 имеет в своем составе два независимых реле. Принцип действия: При повышении температуры контролируемой среды до 105ºС подается управляющее напряжение на обмотку реле№1, при этом замыкаются контакты реле, подключенные к чёрному и красному проводам. При снижении температуры контролируемой среды до 97ºС размыкаются контакты реле№1, подключенные к чёрному и красному проводам. При повышении температуры контролируемой среды до 110ºС подается управляющее напряжение на обмотку реле№2, при этом замыкаются контакты реле, подключенные к белому и зелёному проводам. При снижении температуры контролируемой среды до 102ºС размыкаются контакты реле№2, подключенные к белому и зелёному проводам.
| Характеристики | |
| Способ подключения | Кабель 6x0,5 кв. мм; L=0,9 м |
| Материал корпуса | Алюминиевый сплав |
| Напряжение питания, Uраб. | 18...30 В DC |
| Степень защиты по ГОСТ 14254-96 | IP68 |
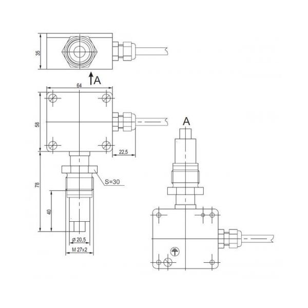
| Габариты устройства, мм | 64x136x35 |
| Коэффициент пульсаций питающего напряжения | ≤15% |
| Максимальная активная мощность (коммутируемая каждым из реле) пр | 1000 Вт |
| Максимальное коммутируемое напряжение каждым реле | переменный ток 250 В AC 50 ГЦ / постоянный ток 60 В DC |
| Максимальный коммутируемый рабочий ток каждым реле | переменный ток 5A AC / постоянный ток 3A DC |
| Материал головки погружной части | Сталь 12X18H10T |
| Материал погружной части | Tekamid 66 |
| Наличие защиты от переполюсовки | Есть |
| Порог включения реле №1 | +105°C |
| Порог включения реле №2 | +110°C |
| Порог отключения реле №1 | +97°C |
| Порог отключения реле №2 | +102°C |
| Диапазон рабочих температур | -50°C...+110°C |
| Собственная потребляемая мощность, не более | 3 Вт |
| Точность порогов включения и выключения | ±2°C |
| +375 (29) 661-00-15 | ![]() |















