Описание
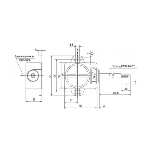
Датчик NI I82P-4P12-P-C предназначен для измерения углов наклона рабочего оборудования относительно гравитационной вертикали. Датчик в качестве чувствительного элемента измерения угла наклона использует акселерометр, основанный на MEMS технологии. При отклонении плоскости крепления датчика по любой из осей относительно гравитационной вертикали, датчик генерирует выходные токи, пропорциональные углу наклона.
| Характеристики | |
| Размер прямоугольного корпуса, ДлxВxШ | 55x48x22 |
| Материал корпуса | Пластик |
| Напряжение питания, Uраб. | 10...32 В DC |
| Сечение провода для подключения | 4x0,25 кв. мм |
| Диапазон измерения угла наклона по каждой оси, относительно гравитационной вертикали | ±90° |
| Выходной ток по каждой оси, мА., при отклонении, (°) | 4 (-90°)...12 (0°)...20 (90°) |
| Максимальное сопротивление нагрузки, Ом | (Uраб.-5)/0,02 |
| Погрешность измерения угла наклона | ±0,3° |
| Степень защиты по ГОСТ 14254-96 | IP67 |
| Защита от переполюсовки | Есть |
| Порог срабатывания | ±90° |
| Диапазон рабочих температур | -40°С...+55°С |
| «Коэффициент деления» частоты вращения | 2 |
| Тип выходного ключа | аналоговый 4 ... 20 мА |
| Ток нагрузки по выходам | - |
| Гистерезис переключения | 0,3° |
| +375 (29) 661-00-15 | ![]() |










