Описание
Датчик уровня DUG2-20-1-S4-Cпредназначен для контроля уровня жидкости (ρ≥75О кг/м³) и управления исполнительными устройствами. Датчики предназначены для работы во взрывобезопасной среде, не содержащей агрессивных жидкостей, газов и паров в концентрациях, приводящих к коррозии металлов. По способу защиты от поражения электрическим током датчики соответствуют классу I по ГОСТ Р МЭК 536. Датчик обеспечивает переключение контактов геркона при уровне жидкости ниже или равном контролируемому уровню. Возможно изменение контролируемого уровня жидкости относительно плоскости крепления датчика, а также корректировка уровня в зависимости от плотности жидкости смещением крепежных гаек в пределах ±15 мм.
| Характеристики | |
| Способ подключения | Разъемно-штекерное |
| Материал корпуса | ЛС59-1 |
| Тип корпуса | Поплавковый |
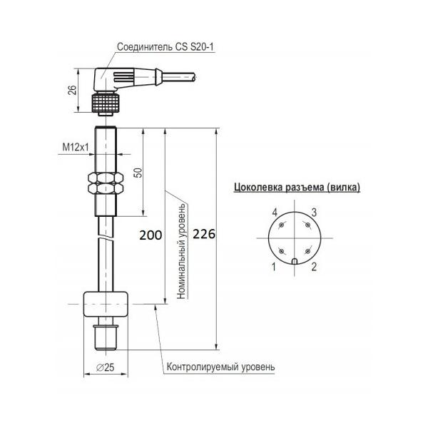
| Присоединение / Подключение | Соединитель S19, S20 |
| Степень защиты по ГОСТ 14254-96 | IP68 |
| Длина выключателя, мм | 226 |
| Измерение | Дискретное (пороговое) |
| Количество рабочих циклов при Iраб.=0,1 А; Uраб.<=36 В | ≥5х10^5 |
| Коммутируемая мощность для переменного тока | ≤7,5 ВА |
| Коммутируемая мощность для постоянного тока | ≤30 Вт |
| Коммутируемое напряжение, Uраб. | 0,05...125 В AC/DC |
| Коммутируемый переменный ток | 5х10^ -6...0,25 А |
| Коммутируемый постоянный ток | 5х10^ -6...1 А |
| Максимальный уровень (для поплавковых датчиков) | до 0,5 м |
| Величина контролируемого уровня L, мм | 200 |
| Принцип измерения | Поплавковый (магниточувствительный) |
| Диапазон рабочих температур | -50°С...+85°С |
| Способ установки | В контакте со средой |
| Схема подключения | 3х проводный |
| Тип датчика | Поплавковый |
| Функция выходного сигнала (2) | ИЛИ Переключающий |
| Число уровней (для поплавковых датчиков) | 1 |
| +375 (29) 661-00-15 | ![]() |















