Описание
Выключатель емкостный бесконтактный CSN I7P5-31N-50-LZ-C (датчик) предназначен для бесконтактной коммутации исполнительных устройств в промышленных автоматизированных устройствах, линиях, станках и системах. Датчик предназначен для работы во взрывобезопасной среде, не содержащей агрессивных газов и паров в концентрациях, приводящих к коррозии металлов. Датчик имеет чувствительную поверхность для контроля положения металлических и диэлектрических объектов. При приближении к чувствительной поверхности датчика объекта из металла или диэлектрика срабатывает пороговое устройство и формируется соответствующий выходной сигнал электронного ключа датчика, который используется для коммутации электрических цепей и сигнализации.
| Характеристики | |
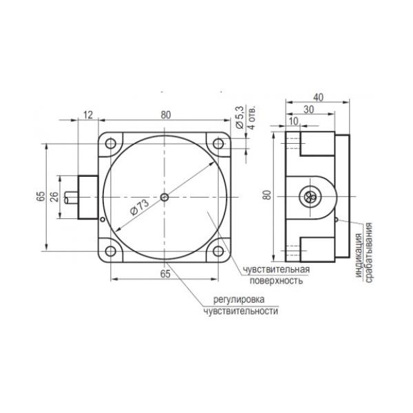
| Размер прямоугольного корпуса, ДлxВxШ | 80x80x40 |
| Тип монтажа | Невстраиваемый |
| Номинальное расстояние срабатывания | 50 мм |
| Способ подключения | Кабель |
| Материал корпуса | Полимер |
| Тип корпуса | Прямоугольный |
| Корпус | Прямоугольный |
| Диапазон рабочих напряжений, Uраб. | 10...30 В DC |
| Падение напряжения при Iраб, Ud (1) | ≤2,5 В |
| Тип контакта / Структура выхода | NPN Замыкающий |
| Частота переключения, Fmax | 25 Гц |
| Присоединение / Подключение | Кабель 3х0,34 кв. мм |
| Световая индикация | Есть |
| Комплексная защита | Есть |
| Степень защиты по ГОСТ 14254-96 | IP65 |
| Гистерезис | 3...15% |
| Кол-во проводов | 3 |
| Коэффициент пульсаций питающего напряжения | ≤15% |
| Максимальный рабочий ток, Iраб. | 400 мА |
| Диапазон рабочих температур | -45°C...+65°C |
| Рабочий зазор | 0...40 мм |
| Схема подключения | 3х проводный |
| +375 (29) 661-00-15 | ![]() |















