Описание
Выключатель ёмкостный бесконтактный CSNp EC48S8-43P-20-LZS4-P1 (датчик) предназначен для бесконтактной коммутации исполнительных устройств в промышленных автоматизированных устройствах, линиях станках и системах. Датчик предназначен для работы во взрывобезопасной среде, не содержащей агрессивных газов и паров в концентрациях, приводящих к коррозии металлов. Сертификат соответствия № РОССRU. АГ92.В08442 от 14.06.2012г Экспертное Заключение № 77.01.09.П.010696.11.13 от 08.11.2013г.
| Характеристики | |
| Размер корпуса, ДxШxДл | G1/2x112 |
| Тип монтажа | Невстраиваемый |
| Способ подключения | Разъемно-штекерное |
| Материал корпуса | 12Х18Н10Т |
| Диаметр резьбового корпуса | G1/2 |
| Длина в мм. | 112 |
| Корпус | G1/2 |
| Диапазон рабочих напряжений, Uраб. | 10...30 В DC |
| Тип контакта / Структура выхода | PNP Переключающий |
| Присоединение / Подключение | Соединитель S19-3, S20-3, S25, S251-S256 |
| Световая индикация | Есть |
| Комплексная защита | Есть |
| Степень защиты по ГОСТ 14254-96 | IP68 / IP65 |
| Длина чувствительной поверхности L | 20 мм |
| Задержка срабатывания | 1±0,2 c |
| Индикация напряжения питания | Есть |
| Индикация срабатывания | Есть |
| Коэффициент пульсаций питающего напряжения | ≤15% |
| Материал чувствительной поверхности | Фторопласт |
| Диапазон рабочих температур | -25°С...+75°С |
| Рабочий ток, Iраб. При t | ≤250 мА |
| Рабочий ток, Iраб. При t>75°C | ≤150 мА |
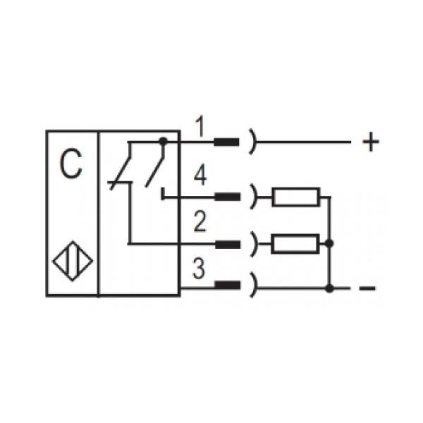
| Схема подключения | 4х проводный |
| Уровень срабатывания, Hr (вода) | 0 ± 5 мм |
| Уровень срабатывания, Hr1 (вода) | 0...20 мм |
| +375 (29) 661-00-15 | ![]() |
















