Описание
Выключатель ёмкостный бесконтактный (датчик) ВТИЮ.3131-02 предназначен для бесконтактной коммутации исполнительных устройств в промышленных автоматизированных устройствах, линиях, станках и системах. Датчик предназначен для работы во взрывобезопасной среде, не содержащей агрессивных газов и паров в концентрациях, приводящих к коррозии металлов. Датчик имеет чувствительную поверхность для контроля уровня жидкости или сыпучих материалов в емкости. При приближении к чувствительной поверхности датчика объекта воздействия срабатывает пороговое устройство и формируется выходной сигнал электронного ключа датчика, который используется для коммутации электрических цепей и сигнализации.
| Характеристики | |
| Размер корпуса, ДxШxДл | G3/4-Bx82 |
| Тип монтажа | Невстраиваемый |
| Способ подключения | Разъемно-штекерное |
| Материал корпуса | ЛС59-1 |
| Диаметр резьбового корпуса | G3/4-B |
| Длина в мм. | 82 |
| Корпус | G3/4 |
| Диапазон рабочих напряжений, Uраб. | 77...150 В DC |
| Падение напряжения при Iраб, Ud (1) | ≤2,5 В |
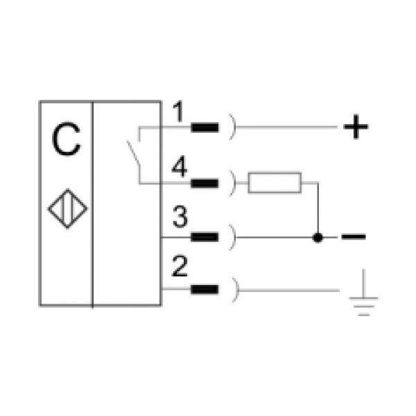
| Присоединение / Подключение | Соединитель S19, S20 |
| Световая индикация | Нет |
| Степень защиты по ГОСТ 14254-96 | IP68 / IP65 |
| Задержка срабатывания | 2,0±0,5 c |
| Максимальное давление со стороны чувств. поверхности | 2 MПа (20 кг/см²) |
| Материал чувствительной поверхности | Полимер ( Tecaform ) |
| Диапазон рабочих температур | -15°С...+115°С |
| Рабочий ток, Iраб. При t | ≤100 мА |
| Рабочий ток, Iраб. При t>75°C | ≤50 мА |
| Схема подключения | 4х проводный |
| +375 (29) 661-00-15 | ![]() |















