Описание
Индуктивный датчик (индуктивный бесконтактный выключатель) ISB AF41A-22-5-LP при появлении объекта воздействия в чувствительной зоне коммутирует электрическую цепь исполнительного устройства. Для срабатывания индуктивного датчика непосредственного соприкосновения с контролируемым объектом не требуется. При появлении в чувствительной зоне датчика (сенсора) объекта воздействия из любого металла происходит демпфирование электромагнитного поля, амплитуда колебаний генератора уменьшается, срабатывает пороговое устройство (триггер) и электронный ключ датчика переключается.
| Характеристики | |
| Возможные замены | СЕНСОР ВБИ-М18-76С-1132-Л |
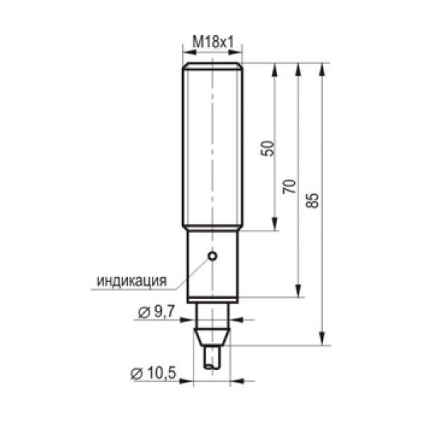
| Размер корпуса, ДxШxДл | M18x1x85 |
| Тип монтажа | Встраиваемый |
| Номинальное расстояние срабатывания | 5 мм |
| Способ подключения | Кабель |
| Материал корпуса | Д16Т |
| Диаметр резьбового корпуса | M18 |
| Длина в мм. | 85 |
| Тип корпуса | Цилиндрический резьбовой |
| Корпус | диаметр от 16 до 27 мм |
| Максимальный рабочий ток, Imax | 250 мА |
| Диапазон рабочих напряжений, Uраб. | 10...30 В DC |
| Остаточный ток | ≤2 мА |
| Падение напряжения при Imax, Ud | ≤5 В |
| Тип контакта / Структура выхода | Размыкающий |
| Частота переключения, Fmax | 600 Гц |
| Присоединение / Подключение | Кабель 2х0,34 кв. мм |
| Световая индикация | Есть |
| Комплексная защита | Нет |
| Степень защиты по ГОСТ 14254-96 | IP67 |
| Защита от переполюсовки | Есть |
| Кол-во проводов | 2 |
| Диапазон рабочих температур | -25°С...+75°С |
| Рабочий зазор | 0...4 мм |
| Схема подключения | 2х проводный |
| +375 (29) 661-00-15 | ![]() |















