Описание
Выключатель индуктивный бесконтактный (датчик) ISB AF41A-43P-5-LZ-10 предназначен для бесконтактной коммутации исполнительных устройств в промышленных автоматизированных устройствах, линиях, станках и системах. Датчик ISB AF41A-43P-5-LZ-10 имеет чувствительную поверхность, предназначенную для контроля положения металлических объектов. При приближении к чувствительной поверхности датчика любого металла срабатывает пороговое устройство и формируется соответствующий выходной сигнал электронного ключа датчика, который используется для коммутации электрических цепей и сигнализации.
| Характеристики | |
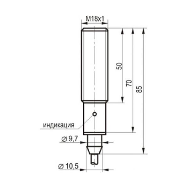
| Размер корпуса, ДxШxДл | M18x1x85 |
| Тип монтажа | Встраиваемый |
| Номинальное расстояние срабатывания | 5 мм |
| Способ подключения | Кабель |
| Материал корпуса | Д16Т |
| Диаметр резьбового корпуса | M18 |
| Длина в мм. | 85 |
| Тип корпуса | Цилиндрический резьбовой |
| Корпус | диаметр от 16 до 27 мм |
| Максимальный рабочий ток, Imax | 250 мА |
| Диапазон рабочих напряжений, Uраб. | 10...30 В DC |
| Падение напряжения при Imax, Ud | ≤2,5 В |
| Тип контакта / Структура выхода | PNP Переключающий |
| Частота переключения, Fmax | 600 Гц |
| Присоединение / Подключение | Кабель 4х0,25 кв. мм, L=10м |
| Световая индикация | Есть |
| Комплексная защита | Есть |
| Степень защиты по ГОСТ 14254-96 | IP67 |
| Кол-во проводов | 4 |
| Диапазон рабочих температур | -25°С...+75°С |
| Рабочий зазор | 0...4 мм |
| Схема подключения | 4х проводный |
| +375 (29) 661-00-15 | ![]() |















