Описание
Индуктивный датчик (индуктивный бесконтактный выключатель) ISB AF42A-12-5-LZ при появлении объекта воздействия в чувствительной зоне коммутирует электрическую цепь исполнительного устройства. Для срабатывания индуктивного датчика непосредственного соприкосновения с контролируемым объектом не требуется. При появлении в чувствительной зоне датчика (сенсора) объекта воздействия из любого металла происходит демпфирование электромагнитного поля, амплитуда колебаний генератора уменьшается, срабатывает пороговое устройство (триггер) и электронный ключ датчика переключается.
| Характеристики | |
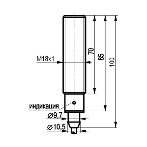
| Размер корпуса, ДxШxДл | M18x1x100 |
| Тип монтажа | Встраиваемый |
| Номинальное расстояние срабатывания | 5 мм |
| Способ подключения | Кабель |
| Материал корпуса | Д16Т |
| Диаметр резьбового корпуса | M18 |
| Длина в мм. | 100 |
| Тип корпуса | Цилиндрический резьбовой |
| Корпус | диаметр от 16 до 27 мм |
| Диапазон рабочих напряжений, Uраб. | 20...250 В AC / 20...320 В DC |
| Остаточный ток | ≤1,7 мА |
| Падение напряжения при Iраб., Ud | ≤5 В |
| Тип контакта / Структура выхода | Размыкающий |
| Частота переключения, Fmax | 400 Гц |
| Присоединение / Подключение | Кабель 2х0,34 кв. мм |
| Заземляющий вывод | Нет |
| Световая индикация | Есть |
| Комплексная защита | Есть |
| Степень защиты по ГОСТ 14254-96 | IP67 |
| Диапазон рабочих токов, Iраб. | 5...500 мА |
| Импульсный ток, Iимп. При t=20 мс | 3A f=1 Гц |
| Кол-во проводов | 2 |
| Диапазон рабочих температур | -25°С...+75°С |
| Рабочий зазор | 0...4 мм |
| Схема подключения | 2х проводный |
| +375 (29) 661-00-15 | ![]() |















