Описание
Индуктивный датчик (индуктивный бесконтактный выключатель) ISB AT2A-43P-2-LZ при появлении объекта воздействия в чувствительной зоне коммутирует электрическую цепь исполнительного устройства. Для срабатывания индуктивного датчика непосредственного соприкосновения с контролируемым объектом не требуется. При появлении в чувствительной зоне датчика (сенсора) объекта воздействия из любого металла происходит демпфирование электромагнитного поля, амплитуда колебаний генератора уменьшается, срабатывает пороговое устройство (триггер) и электронный ключ датчика переключается.
| Характеристики | |
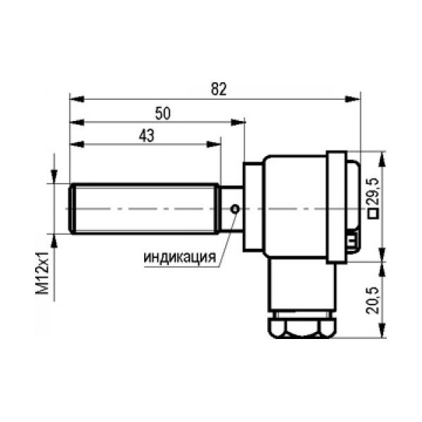
| Размер корпуса, ДxШxДл | M12x1x82 |
| Тип монтажа | Встраиваемый |
| Номинальное расстояние срабатывания | 2 мм |
| Способ подключения | Клеммы |
| Материал корпуса | Д16Т |
| Диаметр резьбового корпуса | M12 |
| Длина в мм. | 82 |
| Тип корпуса | Цилиндрический резьбовой |
| Корпус | диаметр от 8 до 16 мм |
| Максимальный рабочий ток, Imax | 250 мА |
| Диапазон рабочих напряжений, Uраб. | 10...30 В DC |
| Падение напряжения при Imax, Ud | ≤2,5 В |
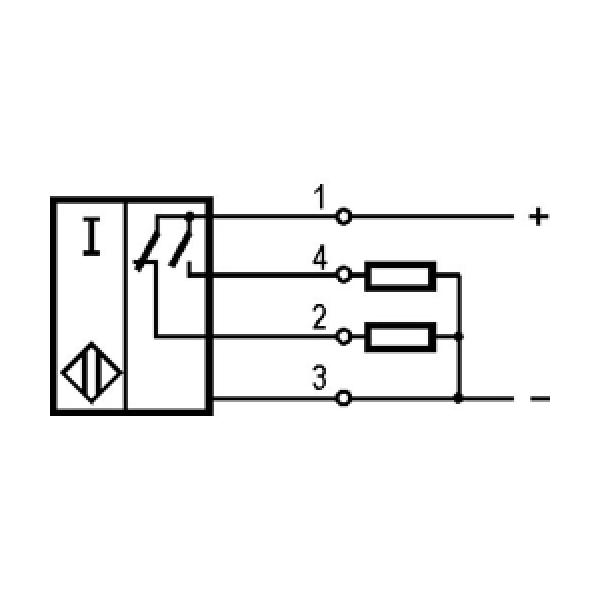
| Тип контакта / Структура выхода | PNP Переключающий |
| Частота переключения, Fmax | 900 Гц |
| Присоединение / Подключение | Клеммник |
| Световая индикация | Есть |
| Комплексная защита | Есть |
| Степень защиты по ГОСТ 14254-96 | IP67 |
| Кол-во проводов | 4 |
| Диапазон рабочих температур | -25°С...+75°С |
| Рабочий зазор | 0...1,6 мм |
| Схема подключения | 4х проводный |
| +375 (29) 661-00-15 | ![]() |















