Описание
Индуктивный датчик (индуктивный бесконтактный выключатель) ISB AT41A-43N-5-LP предназначен для бесконтактной коммутации исполнительных устройств в промышленных автоматизированных устройствах, линиях, станках и системах. При появлении объекта воздействия из любого металла в чувствительной зоне датчика происходит демпфирование электромагнитного поля, амплитуда колебаний генератора уменьшается, срабатывает пороговое устройство (триггер) и электронный ключ датчика переключается. Электрическая цепь исполнительного устройства коммутируется. Для срабатывания индуктивного датчика непосредственного соприкосновения с контролируемым объектом не требуется.
| Характеристики | |
| Размер корпуса, ДxШxДл | M18x1x97 |
| Тип монтажа | Встраиваемый |
| Номинальное расстояние срабатывания | 5 мм |
| Способ подключения | Клеммы |
| Материал корпуса | Д16Т |
| Диаметр резьбового корпуса | M18 |
| Длина в мм. | 97 |
| Тип корпуса | Цилиндрический резьбовой |
| Корпус | диаметр от 16 до 27 мм |
| Максимальный рабочий ток, Imax | 250 мА |
| Диапазон рабочих напряжений, Uраб. | 10...30 В DC |
| Падение напряжения при Imax, Ud | ≤1,5 В |
| Тип контакта / Структура выхода | NPN Переключающий |
| Частота переключения, Fmax | 600 Гц |
| Присоединение / Подключение | Клеммник |
| Световая индикация | Есть |
| Степень защиты по ГОСТ 14254-96 | IP67 |
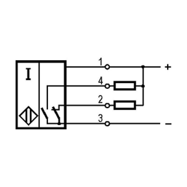
| Кол-во проводов | 4 |
| Коэффициент пульсаций питающего напряжения | ≤15% |
| Диапазон рабочих температур | -25°С...+75°С |
| Рабочий зазор | 0...4 мм |
| Схема подключения | 4х проводный |
| +375 (29) 661-00-15 | ![]() |















