Описание
Индуктивный датчик (индуктивный бесконтактный выключатель) ISB IT125P-43P-15-LZ при появлении объекта воздействия в чувствительной зоне коммутирует электрическую цепь исполнительного устройства. Для срабатывания индуктивного датчика непосредственного соприкосновения с контролируемым объектом не требуется. При появлении в чувствительной зоне датчика (сенсора) объекта воздействия из любого металла происходит демпфирование электромагнитного поля, амплитуда колебаний генератора уменьшается, срабатывает пороговое устройство (триггер) и электронный ключ датчика переключается.
| Характеристики | |
| Размер прямоугольного корпуса, ДлxВxШ | 40x40x120 |
| Тип монтажа | Встраиваемый |
| Номинальное расстояние срабатывания | 15 мм |
| Способ подключения | Клеммы |
| Материал корпуса | Полиамид |
| Тип корпуса | Прямоугольный |
| Корпус | Прямоугольный |
| Максимальный рабочий ток, Imax | 400 мА |
| Диапазон рабочих напряжений, Uраб. | 10...30 В DC |
| Падение напряжения при Imax, Ud | ≤2,5 В |
| Тип контакта / Структура выхода | PNP Переключающий |
| Частота переключения, Fmax | 100 Гц |
| Присоединение / Подключение | Клеммник 1,5 кв.мм max |
| Световая индикация | Есть |
| Комплексная защита | Есть |
| Степень защиты по ГОСТ 14254-96 | IP67 |
| Диапазон рабочих температур | -25°С...+75°С |
| Рабочий зазор | 0...12 мм |
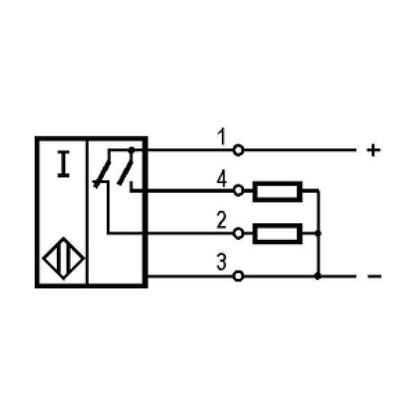
| Схема подключения | 4х проводный |
| +375 (29) 661-00-15 | ![]() |















