Описание
| Характеристики | |
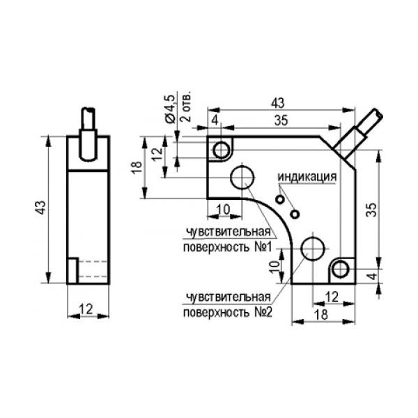
| Размер прямоугольного корпуса, ДлxВxШ | 43х43х12 |
| Тип монтажа | Встраиваемый |
| Номинальное расстояние срабатывания | 4 мм |
| Способ подключения | Кабель |
| Материал корпуса | Полиамид |
| Тип корпуса | Прямоугольный |
| Корпус | Прямоугольный |
| Максимальный рабочий ток, Imax | 250 мА |
| Диапазон рабочих напряжений, Uраб. | 10...30 В DC |
| Падение напряжения при Imax, Ud | ≤2,5 В |
| Тип контакта / Структура выхода | NPN Замыкающий |
| Частота переключения, Fmax | 1000 Гц |
| Присоединение / Подключение | Кабель 4х0,25 кв. мм |
| Световая индикация | Есть |
| Комплексная защита | Есть |
| Степень защиты по ГОСТ 14254-96 | IP67 |
| Кол-во проводов | 3 |
| Диапазон рабочих температур | -25°С...+75°С |
| Рабочий зазор | 0...3,2 мм |
| Схема подключения | 4х проводный |
| +375 (29) 661-00-15 | ![]() |















