Описание
Выключатель индуктивный бесконтактный ISB WC44S8-31P-3-S4-35 (датчик) предназначен для бесконтактной коммутации исполнительных устройств в промышленных автоматизированных устройствах, линиях, станках и системах. Датчик предназначен для работы в среде высокого давления со стороны чувствительной поверхности. При приближении к чувствительной поверхности датчика (объекта воздействия из) любого металла происходит демпфирование электромагнитного поля и уменьшение амплитуды колебаний генератора, срабатывает пороговое устройство (триггер) и формируется сигнал, переключающий электронный ключ датчика, который производит коммутацию электрических цепей.
| Характеристики | |
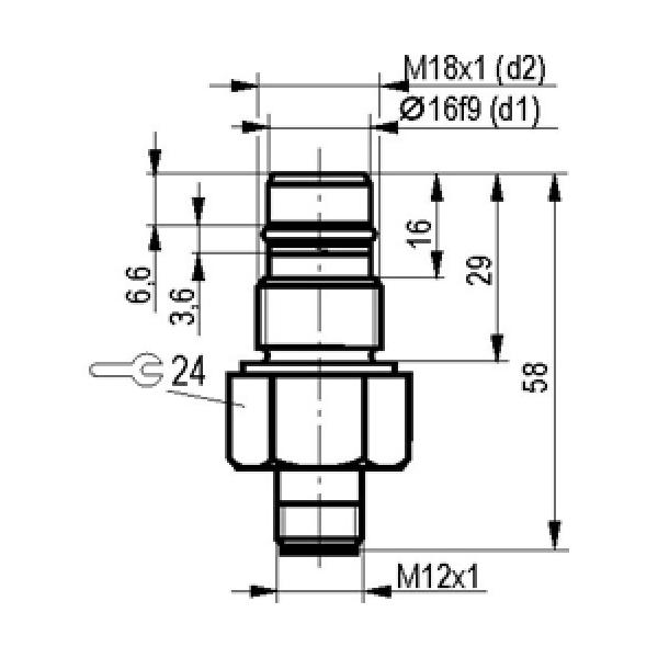
| Размер корпуса, ДxШxДл | M18x1x58 |
| Тип монтажа | Встраиваемый |
| Схема монтажа | 1 |
| Номинальное расстояние срабатывания | 3 мм |
| Способ подключения | Разъемно-штекерное |
| Материал корпуса | 12Х18Н10Т |
| Диаметр резьбового корпуса | M18 |
| Длина в мм. | 58 |
| Тип корпуса | Цилиндрический резьбовой |
| Корпус | диаметр от 16 до 27 мм |
| Максимальный рабочий ток, Imax | 250 мА |
| Диапазон рабочих напряжений, Uраб. | 10...30 В DC |
| Падение напряжения при Imax, Ud | ≤1,5 В |
| Тип контакта / Структура выхода | PNP Замыкающий |
| Частота переключения, Fmax | 500 Гц |
| Присоединение / Подключение | Соединитель S19, S20 |
| Световая индикация | Нет |
| Комплексная защита | Нет |
| Степень защиты по ГОСТ 14254-96 | IP68 / IP67 |
| Для жестких условий окружающей среды | для работы в среде высокого давления |
| Кол-во проводов | 3 |
| Максимальное давление | 35,0 МПа (350 кг/см²) |
| Диапазон рабочих температур | -25°С...+80°С |
| Рабочий зазор | 0...2,4 мм |
| Схема подключения | 3х проводный |
| +375 (29) 661-00-15 | ![]() |















