Описание
Индуктивный бесконтактный датчик ISBm A4B8-31PS-8-LZ-C-V-4 предназначен для обнаружения контролируемого объекта и бесконтактной коммутации исполнительных устройств в автоматизированных устройствах и системах морских судов, имеющих источник постоянного напряжения от 10 до 30 В. Свидетельство о типовом одобрении № 16.19097.130 от 30.05.2016г. При приближении к чувствительной зоне датчика любого металла срабатывает пороговое устройство и формируется соответствующий выходной сигнал электронного ключа датчика, который используется для коммутации электрических цепей и сигнализации.
| Характеристики | |
| Размер корпуса, ДxШxДл | M18x1x52,5 |
| Тип монтажа | Встраиваемый |
| Номинальное расстояние срабатывания | 8 мм |
| Материал корпуса | ЛС59-1 |
| Диаметр резьбового корпуса | M18 |
| Длина в мм. | 52,5 |
| Максимальный рабочий ток, Imax | 400 мА |
| Диапазон рабочих напряжений, Uраб. | 10...30 В DC |
| Падение напряжения при Imax, Ud | ≤2,5 В |
| Тип контакта / Структура выхода | PNP Замыкающий |
| Частота переключения, Fmax | 600 Гц |
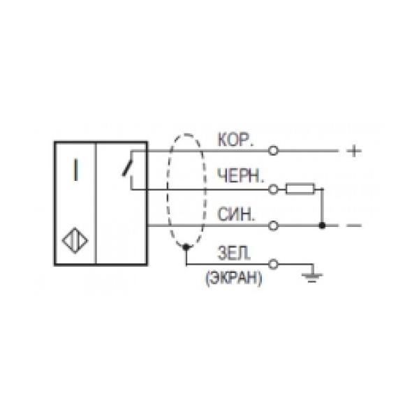
| Присоединение / Подключение | Кабель 3х0,34 кв. мм; L=4м |
| Световая индикация | Есть |
| Комплексная защита | Есть |
| Степень защиты по ГОСТ 14254-96 | IP68 |
| Коэффициент пульсаций питающего напряжения | ≤15% |
| Диапазон рабочих температур | -45°C...+65°C |
| Рабочий зазор | 0...6,4 мм |
| Специальное назначение | морское исполнение |
| Схема подключения | 3х проводный |
| +375 (29) 661-00-15 | ![]() |















