Описание
Датчик индуктивный бесконтактный ISBm IC28B-32P-3,5-LZS402 предназначен для обнаружения контролируемого объекта и бесконтактной коммутации исполнительных устройств в автоматизированных устройствах и системах морских судов, имеющих источник постоянного напряжения от 10 до 30В. Свидетельство о типовом одобрении № 16.19097.130 от 30.05.2016 г. При приближении к чувствительной поверхности датчика ISBm IC28B-32P-3,5-LZS402 объекта воздействия из любого металла происходит демпфирование электромагнитного поля и уменьшение амплитуды колебаний генератора, срабатывает пороговое устройство (триггер) и переключается электронный ключ датчика, который производит коммутацию электрических цепей.
| Характеристики | |
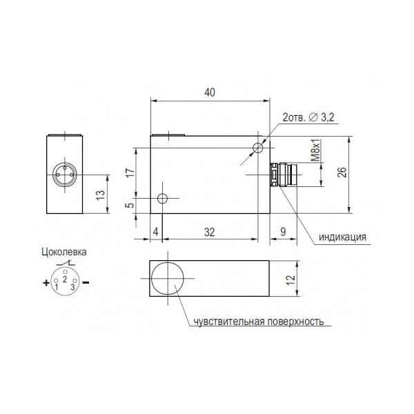
| Размер прямоугольного корпуса, ДлxВxШ | 26x40x12 |
| Тип монтажа | Встраиваемый |
| Номинальное расстояние срабатывания | 3,5 мм |
| Материал корпуса | ЛС59-1 |
| Максимальный рабочий ток, Imax | 250 мА |
| Диапазон рабочих напряжений, Uраб. | 10...30 В DC |
| Падение напряжения при Imax, Ud | ≤2,5 В |
| Тип контакта / Структура выхода | PNP Замыкающий |
| Частота переключения, Fmax | 500 Гц |
| Присоединение / Подключение | Соединитель CS S48-1, CS S49-1 |
| Световая индикация | Есть |
| Комплексная защита | Есть |
| Степень защиты по ГОСТ 14254-96 | IP67 |
| Коэффициент пульсаций питающего напряжения | ≤15% |
| Диапазон рабочих температур | -25°С...+40°С |
| Рабочий зазор | 0...2,8 мм |
| Специальное назначение | морское исполнение |
| Схема подключения | 3х проводный |
| +375 (29) 661-00-15 | ![]() |















