Описание
Датчик индуктивный бесконтактный ISBm W28S8-31NS-1,5-Z-50C-10 предназначен для обнаружения контролируемого объекта и бесконтактной коммутации исполнительных устройств в автоматизированных устройствах и системах морских судов. Свидетельство о типовом одобрении №16.19097.130 от 30.05.2016 г. Датчики предназначены для работы в среде высокого давления со стороны чувствительной поверхности. При приближении к чувствительной поверхности ISBm W28S8-31NS-1,5-Z-50C-10 объекта воздействия из любого металла происходит демпфирование электромагнитного поля и уменьшение амплитуды колебаний генератора, срабатывает пороговое устройство (триггер) и переключается электронный ключ датчика, который производит коммутацию электрических цепей.
| Характеристики | |
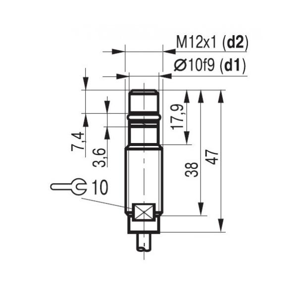
| Размер корпуса, ДxШxДл | M12x1x47 |
| Тип монтажа | Встраиваемый |
| Схема монтажа | 1 |
| Номинальное расстояние срабатывания | 1,5 мм |
| Способ подключения | Кабель |
| Материал корпуса | 12Х18Н10Т |
| Диаметр резьбового корпуса | M12 |
| Длина в мм. | 47 |
| Тип корпуса | Цилиндрический резьбовой |
| Корпус | диаметр от 8 до 16 мм |
| Максимальный рабочий ток, Imax | 250 мА |
| Диапазон рабочих напряжений, Uраб. | 10...30 В DC |
| Падение напряжения при Imax, Ud | ≤2,5 В |
| Тип контакта / Структура выхода | NPN Замыкающий |
| Частота переключения, Fmax | 1000 Гц |
| Присоединение / Подключение | Кабель 3х0,34 кв. мм., L=10 м |
| Световая индикация | Нет |
| Комплексная защита | Есть |
| Степень защиты по ГОСТ 14254-96 | IP68 |
| Для жестких условий окружающей среды | для работы в среде высокого давления |
| Кол-во проводов | 3 |
| Максимальное давление | 50,0 МПа (500 кг/см²) |
| Диапазон рабочих температур | -45°С...+65°С |
| Рабочий зазор | 0...1,2 мм |
| Со специальными электрическими параметрами | повышенной помехозащищённости |
| Специальное назначение | морское исполнение |
| Схема подключения | 3х проводный |
| +375 (29) 661-00-15 | ![]() |















