Описание
Датчик индуктивный бесконтактный ISBm WBG2S8-31PS-1,5-Z-20C-B предназначен для обнаружения контролируемого объекта и бесконтактной коммутации исполнительных устройств в автоматизированных устройствах и системах морских судов. Свидетельство о типовом одобрении №16.19097.130 от 30.05.2016г. Датчик предназначен для работы в условиях повышенной вибрации. При появлении в чувствительной зоне датчика (сенсора) объекта воздействия из любого металла происходит демпфирование электромагнитного поля, амплитуда колебаний генератора уменьшается, срабатывает пороговое устройство (триггер) и электронный ключ датчика переключается.
| Характеристики | |
| Размер корпуса, ДxШxДл | M12x1x79 |
| Тип монтажа | Встраиваемый |
| Номинальное расстояние срабатывания | 1,5 мм |
| Материал корпуса | 12Х18Н10Т |
| Диаметр резьбового корпуса | M12 |
| Длина в мм. | 79 |
| Максимальный рабочий ток, Imax | 250 мА |
| Диапазон рабочих напряжений, Uраб. | 10...30 В DC |
| Падение напряжения при Imax, Ud | ≤0,25 В |
| Тип контакта / Структура выхода | PNP Замыкающий |
| Частота переключения, Fmax | 1000 Гц |
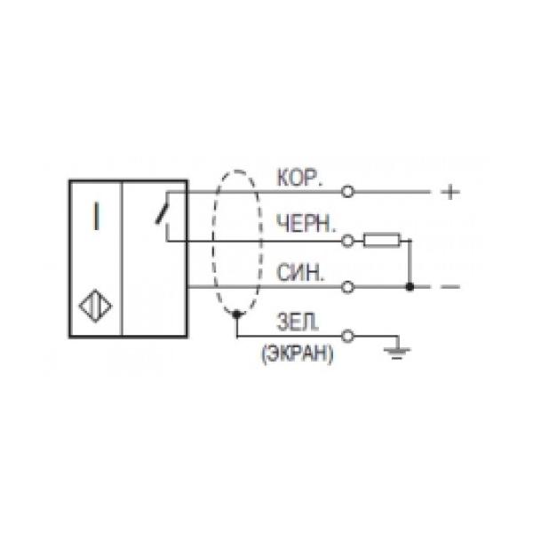
| Присоединение / Подключение | Кабель ГЕРДА-КСднг(А) 3х0,35 ТЭм-УФ |
| Световая индикация | Нет |
| Степень защиты по ГОСТ 14254-96 | IP68 / IP67 |
| Защита от переполюсовки | Есть |
| Коэффициент пульсаций питающего напряжения | ≤15% |
| Диапазон рабочих температур | -45°C...+65°C |
| Рабочий зазор | 0...1,2 мм |
| Специальное назначение | морское исполнение |
| Схема подключения | 3х проводный |
| +375 (29) 661-00-15 | ![]() |















