Описание
Выключатель индуктивный бесконтактный (датчик) предназначен для бесконтактной коммутации исполнительных устройств в промышленных автоматизированных устройствах, линиях, станках и системах. При приближении к чувствительной поверхности датчика любого металла происходит демпфирование электромагнитного поля и уменьшение амплитуды колебаний генератора, срабатывает пороговое устройство и формируется сигнал, переключающий электронный ключ датчика, который производит коммутацию электрических цепей. ISN EC14B-31N-4-LS4 - датчик с увеличенным расстоянием срабатывания. Индуктивные датчики с увеличенным расстоянием срабатывания (датчики повышенной чувствительности) позволяют использовать датчики в ранее недоступных местах, монтировать выключатель гораздо дальше от объекта воздействия и минимизировать риск механического повреждения, и соответственно, уменьшить стоимость простоя, связанную с заменой вышедших из строя датчиков.
| Характеристики | |
| Возможные замены | OMRON E2A-M08LN04-M1-C1 BY OMG |
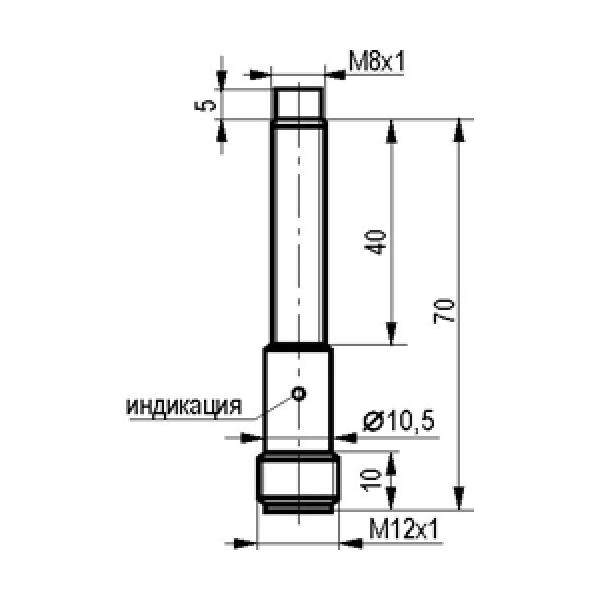
| Размер корпуса, ДxШxДл | M8x1x75 |
| Тип монтажа | Невстраиваемый |
| Номинальное расстояние срабатывания | 4 мм |
| Способ подключения | Разъемно-штекерное |
| Материал корпуса | ЛС59-1 |
| Диаметр резьбового корпуса | M8 |
| Длина в мм. | 75 |
| Тип корпуса | Цилиндрический резьбовой |
| Корпус | диаметр от 8 до 16 мм |
| Максимальный рабочий ток, Imax | 200 мА |
| Диапазон рабочих напряжений, Uраб. | 10...30 В DC |
| Падение напряжения при Imax, Ud | ≤1,5 В |
| Тип контакта / Структура выхода | NPN Замыкающий |
| Частота переключения, Fmax | 1300 Гц |
| Присоединение / Подключение | Соединитель S19, S20 |
| Световая индикация | Есть |
| Комплексная защита | Нет |
| Степень защиты по ГОСТ 14254-96 | IP67 |
| Кол-во проводов | 3 |
| Диапазон рабочих температур | -10°С...+60°С |
| Рабочий зазор | 0...3,2 мм |
| Схема подключения | 3х проводный |
| +375 (29) 661-00-15 | ![]() |















