Описание
Выключатель индуктивный бесконтактный (датчик) ISN EF81A-12-15-LZ-C предназначен для бесконтактной коммутации исполнительных устройств в промышленных автоматизированных устройствах, линиях, станках и системах. Сертификат соответствия№ТСRUC-RU.АД06.В.00220 от 02.08.2016 г. При приближении к чувствительной поверхности ISN EF81A-12-15-LZ-C объекта воздействия из любого металла происходит демпфирование электромагнитного поля и уменьшение амплитуды колебаний генератора, срабатывает пороговое устройство (триггер) и переключается электронный ключ датчика, который производит коммутацию электрических цепей.
| Характеристики | |
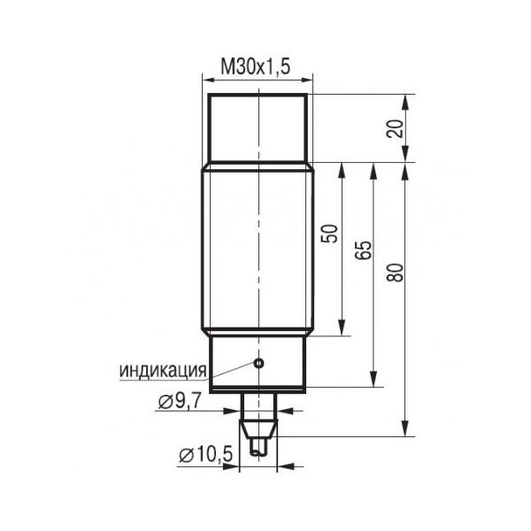
| Размер корпуса, ДxШxДл | M30x1,5x100 |
| Тип монтажа | Невстраиваемый |
| Номинальное расстояние срабатывания | 15 мм |
| Способ подключения | Кабель |
| Материал корпуса | Д16Т |
| Диаметр резьбового корпуса | M30 |
| Длина в мм. | 100 |
| Тип корпуса | Цилиндрический резьбовой |
| Корпус | диаметр от 27 до 50 мм |
| Диапазон рабочих напряжений, Uраб. | 20...250 В AC / 20...320 В DC |
| Остаточный ток | ≤1,85 мА |
| Падение напряжения при Iраб., Ud | ≤5 В |
| Тип контакта / Структура выхода | Размыкающий |
| Частота переключения, Fmax | 100 Гц |
| Присоединение / Подключение | Кабель 2х0,34 кв. мм |
| Световая индикация | Есть |
| Комплексная защита | Есть |
| Степень защиты по ГОСТ 14254-96 | IP67 |
| Диапазон рабочих токов, Iраб. | 5...500 мА |
| Импульсный ток, Iимп. При t=20 мс | 3A f=1 Гц |
| Кол-во проводов | 2 |
| Диапазон рабочих температур | -45°С...+65°С |
| Рабочий зазор | 0...12 мм |
| Схема подключения | 2х проводный |
| +375 (29) 661-00-15 | ![]() |















