Описание
Индуктивный датчик (индуктивный бесконтактный выключатель) ISN HC0B-31P-2,5-LS40 при появлении объекта воздействия в чувствительной зоне коммутирует электрическую цепь исполнительного устройства. Для срабатывания индуктивного датчика непосредственного соприкосновения с контролируемым объектом не требуется. При появлении в чувствительной зоне датчика (сенсора) объекта воздействия из любого металла происходит демпфирование электромагнитного поля, амплитуда колебаний генератора уменьшается, срабатывает пороговое устройство (триггер) и электронный ключ датчика переключается.
| Характеристики | |
| Возможные замены | TURCK Ni3-EH6,5-AP6X-V1331 |
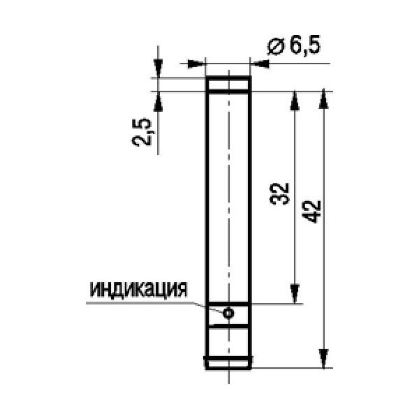
| Размер гладкого корпуса, ДxДл | Ø6,5x44,5 |
| Тип монтажа | Невстраиваемый |
| Номинальное расстояние срабатывания | 2,5 мм |
| Способ подключения | Разъемно-штекерное |
| Материал корпуса | ЛС59-1 |
| Диаметр гладкого корпуса | Ø6,5 |
| Длина в мм. | 44,5 |
| Тип корпуса | Цилиндрический |
| Корпус | диаметр от 4 до 8 мм |
| Максимальный рабочий ток, Imax | 150 мА |
| Диапазон рабочих напряжений, Uраб. | 10...30 В DC |
| Падение напряжения при Imax, Ud | ≤1,2 В |
| Тип контакта / Структура выхода | PNP Замыкающий |
| Частота переключения, Fmax | 1300 Гц |
| Присоединение / Подключение | Соединитель S40, S15 |
| Световая индикация | Есть |
| Комплексная защита | Нет |
| Степень защиты по ГОСТ 14254-96 | IP67 |
| Кол-во проводов | 3 |
| Диапазон рабочих температур | -25°С...+75°С |
| Рабочий зазор | 0...2 мм |
| Схема подключения | 3х проводный |
| +375 (29) 661-00-15 | ![]() |















