Описание
Датчик индуктивный бесконтактный ISNm AG482S8-31NS-1,5-LZ-H-V-7 предназначен для контроля частоты вращения шестерни в автоматизированных устройствах и системах морских судов. Свидетельство о типовом одобрении № 16.19097.130 от 30.05.2016г. Датчик предназначен для работы в условиях повышенной вибрации. Датчик скорости предназначен для контроля частоты вращения шестерни. Частота импульсов на выходе равна частоте воздействия на чувствительный элемент (прохождения зуба шестерни) и пропорциональна скорости вращения шестерни.
| Характеристики | |
| Размер корпуса, ДxШxДл | M18x1x101 |
| Размеры объекта воздействия | 7x16х2 мм |
| Тип монтажа | Невстраиваемый |
| Номинальное расстояние срабатывания | 1,5 мм |
| Рабочее расстояние срабатывания | 1,2 мм |
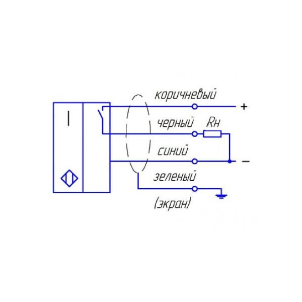
| Способ подключения | Кабель |
| Материал корпуса | 12Х18Н10Т |
| Диаметр резьбового корпуса | M18 |
| Длина в мм. | 101 |
| Степень жесткости воздействия помех по ГОСТ 28751-90 | С2 |
| Корпус | диаметр от 16 до 27 мм |
| Диапазон рабочих напряжений, Uраб. | 10…30 В DC |
| Относительная влажность | 95±3% при температуре +40±2°С |
| Материал объекта воздействия на выключатель | Сталь углеродистая |
| Тип контакта / Структура выхода | Нормально разомкнутый (NO) |
| Частота переключения, Fmax | 4000 Гц |
| Световая индикация | Есть |
| Степень защиты по ГОСТ 14254-96 | IP68 |
| Для жестких условий окружающей среды | для работы в условиях повышенной вибрации |
| Защита от обратной полярности | Есть |
| Коэффициент пульсаций питающего напряжения | ≤15% |
| Максимальный рабочий ток, Iраб. | 400 мА |
| Материал чувствительной поверхности | Д16Т |
| Напряжение высокого уровня выходного сигнала | 10…30 B |
| Напряжение низкого уровня выходного сигнала | 0…1,9 B |
| Диапазон рабочих температур | -15°С…+105°С |
| Собственный ток потребления, не более | 20 мА |
| Специальное назначение | морское исполнение |
| +375 (29) 661-00-15 | ![]() |















