Описание
Датчик индуктивный бесконтактный ISNm FF2B8-31NS-4-LP предназначен для обнаружения контролируемого объекта и бесконтактной коммутации исполнительных устройств в автоматизированных устройствах и системах морских судов, имеющих источник постоянного напряжения от 10 до 30В. Свидетельство о типовом одобрении № 16.19097.130 от 30.05.2016г. При приближении к чувствительной поверхности датчика объекта воздействия из любого металла происходит демпфирование электромагнитного поля и уменьшение амплитуды колебаний генератора, срабатывает пороговое устройство (триггер) и переключается электронный ключ датчика, который производит коммутацию электрических цепей.
| Характеристики | |
| Размер корпуса, ДxШxДл | M12x1x54 |
| Тип монтажа | Невстраиваемый |
| Номинальное расстояние срабатывания | 4 мм |
| Материал корпуса | ЛС59-1 |
| Диаметр резьбового корпуса | M12 |
| Длина в мм. | 54 |
| Максимальный рабочий ток, Imax | 250 мА |
| Диапазон рабочих напряжений, Uраб. | 10...30 В DC |
| Падение напряжения при Imax, Ud | ≤1,5 В |
| Тип контакта / Структура выхода | NPN Замыкающий |
| Частота переключения, Fmax | 600 Гц |
| Присоединение / Подключение | Кабель 3x0,34 кв. мм |
| Световая индикация | Есть |
| Комплексная защита | Нет |
| Степень защиты по ГОСТ 14254-96 | IP68 |
| Защита от переполюсовки | Есть |
| Коэффициент пульсаций питающего напряжения | ≤15% |
| Диапазон рабочих температур | -25°С...+75°С |
| Рабочий зазор | 0...3,2 мм |
| Специальное назначение | морское исполнение |
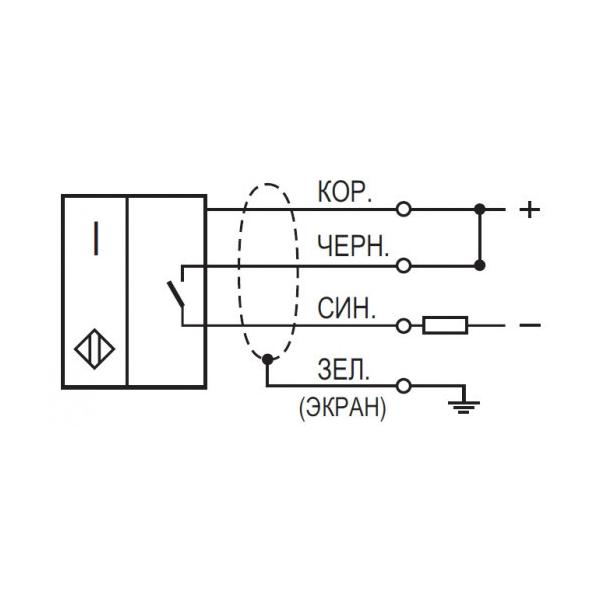
| Схема подключения | 3х проводный |
| +375 (29) 661-00-15 | ![]() |















