Описание
Датчики контроля минимальной скорости предназначены для отслеживания аварийного снижения скорости вращения или движения барабанов, конвейеров, ленточных и ковшовых транспортёров, а также проскальзывания ленты на транспортёрах и конвейерах. Датчик контроля минимальной скорости IV2B AT81A5-43N-10-LZ является бесконтактным индуктивным выключателем со встроенной схемой контроля частоты импульсов воздействия управляющего объекта на датчик. При снижении частоты ниже установленного уровня датчик включает нагрузку, подключенную к нормально разомкнутому контакту, и выключает нагрузку, подключенную к нормально замкнутому контакту. Необходимое значение минимальной частоты устанавливается подстроечным резистором. Датчик обеспечивает задержку при первоначальном включении, необходимую для разгона механизма после подачи питания и достижения заданной частоты следования импульсов воздействия. Величина задержки постоянная для данного типа датчиков и равна tвкл = 9±2 с.
| Характеристики | |
| Размер корпуса, ДxШxДл | M30x1,5x112 |
| Тип монтажа | Встраиваемый |
| Номинальное расстояние срабатывания | 10 мм |
| Способ подключения | Клеммы |
| Материал корпуса | Д16Т |
| Диаметр резьбового корпуса | M30 |
| Длина в мм. | 112 |
| Тип корпуса | Цилиндрический резьбовой |
| Корпус | диаметр от 27 до 50 мм |
| Максимальный рабочий ток, Imax | 500 мА |
| Диапазон рабочих напряжений, Uраб. | 10...30 В DC |
| Падение напряжения при Imax, Ud | ≤1,5 В |
| Тип контакта / Структура выхода | NPN Переключающий |
| Присоединение / Подключение | Клеммник |
| Комплексная защита | Есть |
| Степень защиты по ГОСТ 14254-96 | IP65 |
| Диапазон регулировки | 2...50 Гц |
| Задержка срабатывания | 9 ± 2 c |
| Индикация импульсов воздействия | Есть (красный) |
| Индикация минимальной скорости | Есть (желтый) |
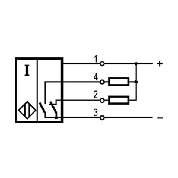
| Кол-во проводов | 4 |
| Диапазон рабочих температур | -25°С...+75°С |
| Рабочий зазор | 0...8 мм |
| Решение специальных задач | для контроля минимальной скорости |
| Схема подключения | 4х проводный |
| +375 (29) 661-00-15 | ![]() |















