Описание
Выключатель (приёмник) оптический предназначен для обнаружения контролируемого объекта и коммутации исполнительных устройств промышленной автоматики. Датчик OS I35A-31P-2,5-LZ - приёмник, используется совместно с излучателем оптическим, например, OY I35A-2-2,5-P. При условии расположения приёмника и излучателя друг напротив друга контролируемый объект прерывает оптическое излучение инфракрасного спектра и вызывает изменение выходного сигнала датчика.
| Характеристики | |
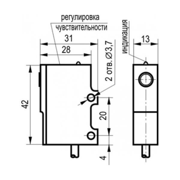
| Размер прямоугольного корпуса, ДлxВxШ | 31x42x13 |
| Способ подключения | Кабель |
| Материал корпуса | Д16Т |
| Тип корпуса | Прямоугольный |
| Корпус | Прямоугольный |
| Максимальный рабочий ток, Imax | 100 мА |
| Диапазон рабочих напряжений, Uраб. | 10...30 В DC |
| Падение напряжения при Imax, Ud | ≤2,5 В |
| Тип контакта / Структура выхода | PNP Замыкающий |
| Присоединение / Подключение | Кабель 3х0,34 кв. мм |
| Световая индикация | Есть |
| Степень защиты по ГОСТ 14254-96 | IP67 |
| Дальность действия | 2500 мм |
| Допустимая емкость нагрузки | 0,02 мкФ |
| Допустимая освещенность окружающей среды | 10000 Люкс |
| Задержка включения / отключения, не более | 10 мс |
| Защита от короткого замыкания | Есть |
| Защита от переполюсовки | Есть |
| Категория применения / применяемость | DC13 |
| Кол-во проводов | 3 |
| Диапазон рабочих температур | -15°С...+65°С |
| Регулировка чувствительности | без регулировки |
| Собственный ток потребления, Io | ≤15 мА |
| Спектр излучения | инфракрасный |
| Схема подключения | 3х проводный |
| Тип выключателя | Тип Т, приемник |
| Частота циклов оперирования, f | 50 Гц |
| +375 (29) 661-00-15 | ![]() |















