Описание
Выключатель (приёмник) оптический предназначен для обнаружения контролируемого объекта и коммутации исполнительных устройств промышленной автоматики. Датчик OS IT61P-43N-10-LZ - приёмник, используется совместно с излучателем оптическим, например, OY IT61P-2-10-P. При условии расположения приёмника и излучателя друг напротив друга контролируемый объект прерывает оптическое излучение инфракрасного спектра и вызывает изменение выходного сигнала датчика.
| Характеристики | |
| Размер прямоугольного корпуса, ДлxВxШ | 71x85x25 |
| Способ подключения | Клеммы |
| Материал корпуса | Полиамид |
| Тип корпуса | Прямоугольный |
| Корпус | Прямоугольный |
| Максимальный рабочий ток, Imax | 250 мА |
| Диапазон рабочих напряжений, Uраб. | 10...30 В DC |
| Падение напряжения при Imax, Ud | ≤2,5 В |
| Тип контакта / Структура выхода | NPN Переключающий |
| Присоединение / Подключение | Клеммник |
| Световая индикация | Есть |
| Степень защиты по ГОСТ 14254-96 | IP67 |
| Дальность действия | 10000 мм |
| Допустимая емкость нагрузки | 0,02 мкФ |
| Допустимая освещенность окружающей среды | 10000 Люкс |
| Задержка включения / отключения, не более | 10 мс |
| Защита от короткого замыкания | Есть |
| Защита от переполюсовки | Есть |
| Категория применения / применяемость | DC13 |
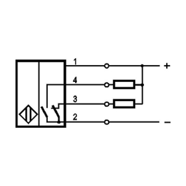
| Кол-во проводов | 4 |
| Диапазон рабочих температур | -15°С...+65°С |
| Регулировка чувствительности | без регулировки |
| Собственный ток потребления, Io | ≤15 мА |
| Спектр излучения | инфракрасный |
| Схема подключения | 4х проводный |
| Тип выключателя | Тип Т, приемник |
| Частота циклов оперирования, f | 50 Гц |
| +375 (29) 661-00-15 | ![]() |















