Описание
Выключатель (датчик) оптический предназначен для обнаружения контролируемого объекта и коммутации исполнительных устройств промышленной автоматики. OV IT61P5-43N-R1000-LE - датчик типа D, диффузный, с отражением от объекта. Датчик состоит из излучателя и приемника, установленных в одном корпусе. Луч света инфракрасного спектра от излучателя попадает на контролируемый объект и, отражаясь от него, попадает в приемник, вызывая изменение выходного сигнала датчика.
| Характеристики | |
| Размер прямоугольного корпуса, ДлxВxШ | 71x85x25 |
| Способ подключения | Клеммы |
| Материал корпуса | Полиамид |
| Тип корпуса | Прямоугольный |
| Корпус | Прямоугольный |
| Максимальный рабочий ток, Imax | 250 мА |
| Диапазон рабочих напряжений, Uраб. | 10...30 В DC |
| Падение напряжения при Imax, Ud | ≤2,5 В |
| Тип контакта / Структура выхода | NPN Переключающий |
| Присоединение / Подключение | Клеммник |
| Световая индикация | Есть |
| Степень защиты по ГОСТ 14254-96 | IP65 |
| Дальность действия | 1000 мм |
| Допустимая емкость нагрузки | 0,47 мкФ |
| Допустимая освещенность окружающей среды | 2000 Люкс |
| Задержка включения / отключения, не более | 5 мс |
| Защита от короткого замыкания | Есть |
| Защита от переполюсовки | Есть |
| Категория применения / применяемость | DC13 |
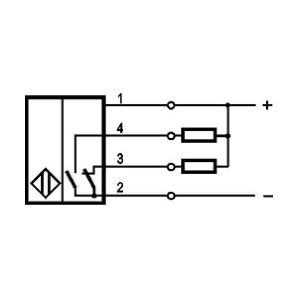
| Кол-во проводов | 4 |
| Материал линзы | - |
| Диапазон рабочих температур | -15°С...+65°С |
| Регулировка чувствительности | с регулировкой |
| Собственный ток потребления, Io | ≤25 мА |
| Спектр излучения | инфракрасный |
| Схема подключения | 4х проводный |
| Тип выключателя | Тип D |
| Частота циклов оперирования, f | 100 Гц |
| +375 (29) 661-00-15 | ![]() |















