Описание
Выключатель (датчик) оптический предназначен для обнаружения контролируемого объекта и коммутации исполнительных устройств промышленной автоматики. Датчик OX I61P5-86-R4000-L состоит из излучателя и приемника, встроенных в корпус. Оптическое излучение инфракрасного спектра от излучателя попадает на световозвращатель (катафот) и, отражаясь от него, попадает в приемник датчика. Контролируемый объект, попадая в зону действия датчика, прерывает оптическое излучение и вызывает изменение выходного сигнала датчика.
| Характеристики | |
| Размер прямоугольного корпуса, ДлxВxШ | 71x85x25 |
| Способ подключения | Кабель |
| Материал корпуса | Полиамид |
| Тип корпуса | Прямоугольный |
| Корпус | Прямоугольный |
| Максимальный рабочий ток, Imax | 1,5 А |
| Диапазон рабочих напряжений, Uраб. | 90...250 В AC |
| Присоединение / Подключение | Кабель 5х0,34 кв. мм |
| Световая индикация | Есть |
| Степень защиты по ГОСТ 14254-96 | IP65 |
| Дальность действия | 4000 мм |
| Допустимая освещенность окружающей среды | 2000 Люкс |
| Задержка включения / отключения, не более | 50 мс |
| Категория применения / применяемость | AC140/DC13 |
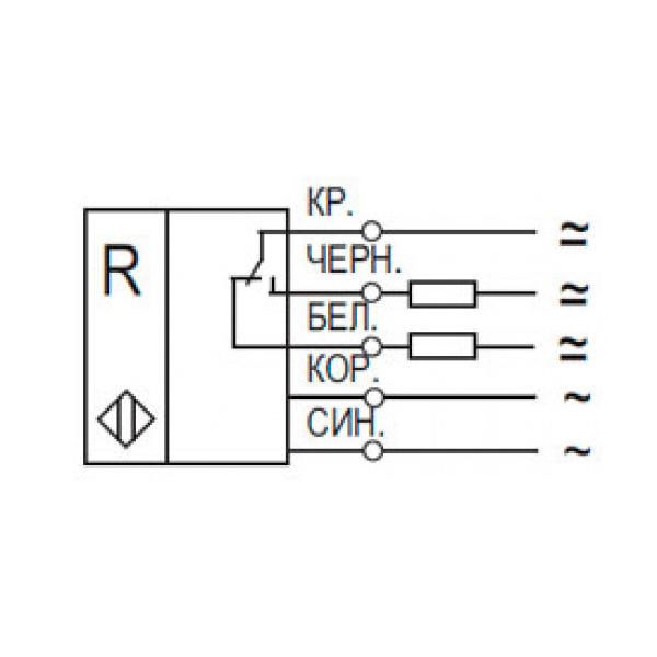
| Кол-во проводов | 5 |
| Максимально коммутируемое переменное напряжение | 240 В |
| Максимально коммутируемое постоянное напряжение | 60 В |
| Диапазон рабочих температур | -15°С...+65°С |
| Регулировка чувствительности | с регулировкой |
| Собственный ток потребления, Io | ≤15 мА |
| Спектр излучения | инфракрасный |
| Схема подключения | 5ти проводный |
| Тип выключателя | Тип R |
| Частота циклов оперирования, f | 10 Гц |
| +375 (29) 661-00-15 | ![]() |















