Описание
Излучатель оптический OY AF81A-2-16-P предназначен для формирования направленного оптического излучения инфракрасного спектра и используется в комплекте с выключателем оптическим (приемником), например,OS AF81A-43P-16-LZ, в промышленных автоматизированных устройствах, линиях и системах.При условии расположения излучателя и приемника друг напротив друга непрозрачный объект обнаружения прерывает оптическое излучение и вызывает изменение выходного сигнала выключателя.
| Характеристики | |
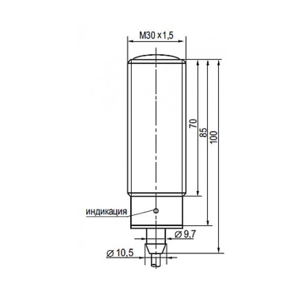
| Размер корпуса, ДxШxДл | M30x1,5x100 |
| Способ подключения | Кабель |
| Материал корпуса | Д16Т |
| Диаметр резьбового корпуса | M30 |
| Длина в мм. | 100 |
| Тип корпуса | Цилиндрический резьбовой |
| Корпус | M30х1,5 |
| Диапазон рабочих напряжений, Uраб. | 10...30 В DC |
| Присоединение / Подключение | Кабель 2х0,34 кв. мм |
| Световая индикация | Есть |
| Степень защиты по ГОСТ 14254-96 | IP67 |
| Дальность действия | 16000 мм |
| Защита от переполюсовки | Есть |
| Кол-во проводов | 2 |
| Диапазон рабочих температур | -15°С...+65°С |
| Регулировка чувствительности | без регулировки |
| Собственный ток потребления, Io | ≤40 мА |
| Спектр излучения | инфракрасный |
| Схема подключения | 2х проводный |
| Тип выключателя | Тип Т, излучатель |
| +375 (29) 661-00-15 | ![]() |















