Описание
Излучатель оптический бесконтактный (далее - излучатель) ВТИЮ.5351 предназначен для формирования направленного оптического излучения инфракрасного спектра и используется в комплекте с выключателем оптическим ВТИЮ.5352 в промышленных автоматизированных устройствах, линиях и системах. При условии расположения излучателя и выключателя друг напротив друга непрозрачный объект прерывает оптическое излучение инфракрасного спектра и вызывает изменение выходного сигнала выключателя.
| Характеристики | |
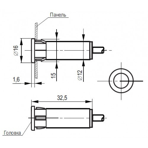
| Размер корпуса, ДxШxДл | M12x32,5 |
| Способ подключения | Кабель |
| Материал корпуса | Пластик |
| Диаметр резьбового корпуса | M12 |
| Длина в мм. | 32,5 |
| Тип корпуса | Цилиндрический резьбовой |
| Корпус | M12х32,5 |
| Диапазон рабочих напряжений, Uраб. | 10...30 В DC |
| Тип контакта / Структура выхода | Нормально разомкнутый (NO) |
| Присоединение / Подключение | Кабель 2х0,12 кв. мм |
| Световая индикация | Нет |
| Дальность действия | 2500 мм |
| Защита от переполюсовки | Есть |
| Диапазон рабочих температур | -15°С...+55°С |
| Собственный ток потребления, Io | ≤20 мА |
| Спектр излучения | инфракрасный |
| Схема подключения | 2х проводный |
| Тип выключателя | Тип Т, излучатель |
| Частота циклов оперирования, f | 50 Гц |
| +375 (29) 661-00-15 | ![]() |














