Описание
Щелевой оптический датчик состоит из приемника и излучателя, расположенных в одном корпусе и расположенных друг на против друга. Контролируемый объект прерывает оптическое излучение инфракрасного спектра и вызывает изменение выходного сигнала датчика. Датчик щелевой оптический предназначен для обнаружения контролируемого объекта и коммутации электрических цепей в промышленных автоматизированных устройствах, линиях, системах.
| Характеристики | |
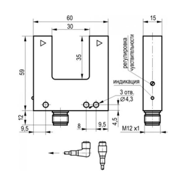
| Размер прямоугольного корпуса, ДлxВxШ | 60x59x15 |
| Зона чувствительности/ Размер щели | 30 мм |
| Способ подключения | Разъемно-штекерное |
| Материал корпуса | Д16Т |
| Тип корпуса | Щелевой |
| Максимальный рабочий ток, Imax | 100 мА |
| Диапазон рабочих напряжений, Uраб. | 10...30 В DC |
| Падение напряжения при Imax, Ud | ≤2,5 В |
| Тип контакта / Структура выхода | NPN Переключающий |
| Присоединение / Подключение | Соединитель S19, S20 |
| Световая индикация | Есть |
| Степень защиты по ГОСТ 14254-96 | IP65 |
| Гистерезис | ≤0,4 мм |
| Глубина вилки | 35 мм |
| Допустимая емкость нагрузки | 0,02 мкФ |
| Допустимая освещенность окружающей среды | 5000 Люкс |
| Задержка включения / отключения, не более | 1 мс |
| Защита от короткого замыкания | Есть |
| Защита от переполюсовки | Есть |
| Категория применения / применяемость | DC13 |
| Кол-во проводов | 4 |
| Количество зон | 20 |
| Количество лучей | 2 |
| Диапазон рабочих температур | -15°С...+65°С |
| Разрешающая способность | 1,2 мм |
| Регулировка чувствительности | с регулировкой |
| Собственный ток потребления, Io | ≤35 мА |
| Спектр излучения | красный |
| Тип выключателя | Щелевая оптика |
| Частота циклов оперирования, f | 500 Гц |
| +375 (29) 661-00-15 | ![]() |















