Описание
Выключатели магниточувствительные взрывозащищенные (далее по тексту – выключатели) предназначены:· для преобразования бесконтактного воздействия объекта (уровня жидкости) в электрический сигнал для управления исполнительным устройством.· для применения в качестве элементов автоматизированных систем управления технологическими процессами.· для работы в среде, не содержащей агрессивных жидкостей, газов и паров в концентрациях, приводящих к коррозии металлов или разрушению материала поплавка (вспененный эбонит).· Выключатели обеспечивают бесконтактную коммутацию промышленного оборудования для группы II для применения в местах опасных по взрывоопасным газовым средам согласно ГОСТ 31610.0-2014 и ГОСТ 31610.11-2014 (кроме подземных выработок).Область применения – взрывоопасные зоны помещений и наружных установок в соответствии с присвоенной маркировкой взрывозащиты, требованиями ГОСТ IEC 60079-14-2011 и отраслевых Правил безопасности, регламентирующих применение данного оборудования во взрывоопасных зонах (кроме подземных выработок шахт). Выключатели относятся к взрывобезопасному электрооборудованию, имеют маркировку взрывозащиты: 1Ex ia ma IIC T6 Gb X по ГОСТ 31610.0-2014, ГОСТ 31610.11-2014, ГОСТ Р МЭК 60079-18-2012. Знак «Х» в маркировке взрывозащиты выключателей указывает на специальные условия их безопасного применения, заключающиеся в следующем:- при эксплуатации выключателей, изготавливаемых с постоянно присоединенным кабелем, при необходимости удлинения кабеля во взрывоопасной зоне соединение кабелей должно производиться через взрывозащищённую соединительную коробку, которая имеет действующий сертификат соответствия, допускающий возможность её применения во взрывоопасной зоне; при удлинении кабеля вне взрывоопасной зоны возможно применение не взрывозащищенных соединительных коробок со степенью защиты IP, соответствующей категории помещения;- к входным искробезопасным электрическим цепям выключателей могут подключаться устройства, выполненные с видом взрывозащиты «искробезопасная электрическая цепь, уровня ia» и имеющие действующие сертификаты соответствия, допускающие возможность их применения во взрывоопасных зонах или вне взрывоопасных зон в качестве связанного электрооборудования. Электрические параметры подключаемых устройств с учетом линии связи: напряжение, ток, мощность, индуктивность и электрическая емкость должны соответствовать искробезопасным параметрам выключателей;- при эксплуатации выключателей, выполненных в пластмассовом корпусе необходимо соблюдать меры безопасности по предотвращению возникновения зарядов статического электричества, изложенные в эксплуатационной документации изготовителя;- выключатели должны устанавливаться в местах, где исключена возможность воздействия на их оболочку ударных механических нагрузок.Выключатели обеспечивают непрерывный круглосуточный режим работы.Сертификат соответствия № ЕАЭС RU C-RU.АМ02.В.00339/20 от 06.05.2020 г.
| Характеристики | |
| Способ подключения | Кабель |
| Материал корпуса | Д16Т |
| Корпус | Поплавковый |
| Присоединение / Подключение | Провод ПМВ 2х0,34 ТУ16.К18-047-2006 |
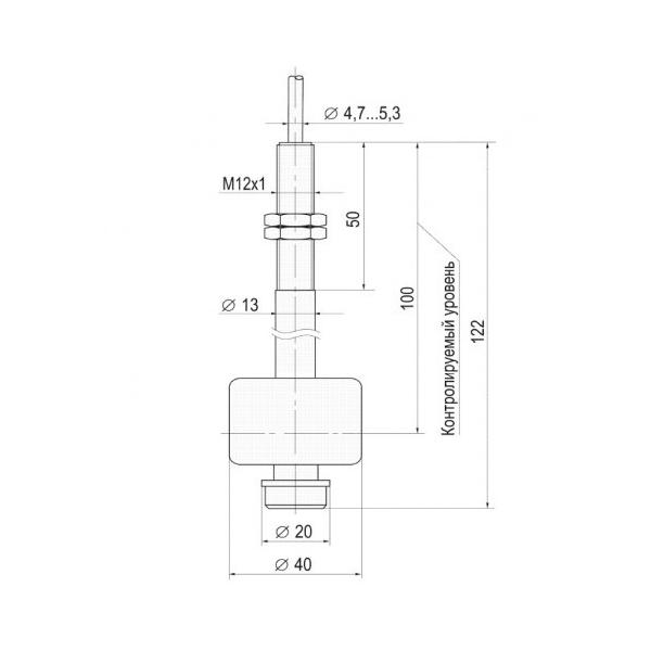
| Степень защиты по ГОСТ 14254-96 | IP68 |
| Количество рабочих циклов, не менее | 5x10^5 |
| Коммутируемая мощность, не более | 0,166 В |
| Коммутируемое напряжение | 0,1...15,8 В DC |
| Коммутируемый ток, не более | 0,11 А |
| Плотность жидкости | 750 кг/м³ |
| Диапазон рабочих температур | -25°С...+75°С |
| Специальное исполнение | Взрывобезопасное исполнение |
| Схема подключения | 2х проводный |
| Тип датчика | Герконовый |
| +375 (29) 661-00-15 | ![]() |















