Описание
Выключатели индуктивные бесконтактные взрывозащищенные (далее по тексту – выключатели) предназначены:для преобразования бесконтактного воздействия объекта в электрический сигнал для управления исполнительным устройством;для применения в качестве элементов автоматизированных систем управления технологическими процессами;Область применения – взрывоопасные зоны помещений и наружных установок в соответствии с присвоенной маркировкой взрывозащиты, требованиями ГОСТ IEC 60079-14-2011 и отраслевых Правил безопасности, регламентирующих применение данного оборудования во взрывоопасных зонах (кроме подземных выработок шахт). Выключатели относятся к взрывобезопасному электрооборудованию, имеют маркировку взрывозащиты по ГОСТ 31610.0-2014, ГОСТ 31610.11-2014, ГОСТ Р МЭК 60079-18-2012:1Ex ia ma IIC T6 Gb X для ISN FS4A-8-N-10 и ISN FS4A-8-N-C-101Ex ia ma IIC T4 Gb X для ISN FS4A-8-N-H-10 и ISN FS4A-8-N-C2-10Знак «Х» в маркировке взрывозащиты выключателей указывает на специальные условия их безопасногоприменения, заключающиеся в следующем:к входным искробезопасным электрическим цепям выключателей могут подключаться устройства, выполненные с видом взрывозащиты «искробезопасная электрическая цепь, уровня ia» и имеющие действующие сертификаты соответствия, допускающие возможность их применения во взрывоопасных зонах или вне взрывоопасных зон в качестве связанного электрооборудования. Электрические параметры подключаемых устройств с учетом линии связи: напряжение, ток, мощность, индуктивность и электрическая емкость должны соответствовать искробезопасным параметрам выключателей;выключатели должны устанавливаться в местах, где исключена возможность воздействия на их оболочку ударных механических нагрузок.Выключатели обеспечивают непрерывный круглосуточный режим работы. Сертификат соответствия № ТС RU C-RU.МН04.В.00266 от 23.04.2015г.Выключатель имеет чувствительную поверхность, предназначенную для контроля положения металлических объектов. При приближении к чувствительной поверхности выключателя любого металла ток выключателя уменьшается пропорционально расстоянию между выключателем и объектом воздействия.
| Характеристики | |
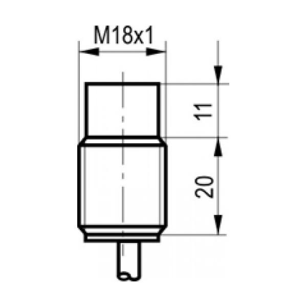
| Размер корпуса, ДxШxДл | M18x1x31 |
| Тип монтажа | Невстраиваемый |
| Номинальное расстояние срабатывания | 8 мм |
| Способ подключения | Кабель |
| Материал корпуса | Д16Т |
| Диаметр резьбового корпуса | M18 |
| Длина в мм. | 31 |
| Корпус | M18x1 |
| Диапазон рабочих напряжений, Uраб. | 7,7...9 В DC |
| Номинальное напряжение питания, Uном. | 8,2 В |
| Тип контакта / Структура выхода | размыкающий контакт |
| Частота переключения, Fmax | 300 Гц |
| Присоединение / Подключение | Кабель 2х0,34 кв. мм, L=10м |
| Степень защиты по ГОСТ 14254-96 | IP67 |
| Входное сопротивление согласующего усилителя | 500...1000 Ом |
| Выходной ток на включение | ≥1,8 мА |
| Выходной ток на отключение | ≤1,5 мА |
| Выходной ток с демпфированным генератором | 0,1...1,0 мА |
| Выходной ток с недемпфированным генератором | 2,2...6,0 мА |
| Гистерезис | ≤15% |
| Добавочное сопротивление между выключателем и усилителем | 0...50 Ом |
| Кол-во проводов | 2 |
| Номинальное входное сопротивление согласующего усилителя (1) | 1000 Ом |
| Пульсация питающих напряжений | ≤10% |
| Диапазон рабочих температур | -45°С...+65°С |
| Рабочий зазор | 0...6,4 мм |
| Собственная емкость выключателя | ≤30 нФ |
| Специальное исполнение | Взрывобезопасное исполнение |
| Схема подключения | 2х проводный |
| Тип датчика | Индуктивный |
| +375 (29) 661-00-15 | ![]() |















