Выключатели магниточувствительные взрывозащищенные (далее по тексту – выключатели) предназначены:для преобразования бесконтактного воздействия объекта (жидкости) в электрический сигнал для управления исполнительным устройством.для применения в качестве элементов автоматизированных систем управления технологическими процессами.для работы в среде, не содержащей агрессивных жидкостей, газов и паров в концентрациях, приводящих к коррозии металлов и разрушению материала поплавка (вспененный эбонит).Область применения – взрывоопасные зоны помещений и наружных установок в соответствии с присвоенной маркировкой взрывозащиты, требованиями ГОСТ IEC 60079-14-2011 и отраслевых Правил безопасности, регламентирующих применение данного оборудования во взрывоопасных зонах (кроме подземных выработок шахт).Выключатели относятся к взрывобезопасному электрооборудованию, имеют маркировку взрывозащиты по ГОСТ 31610.0-2014, ГОСТ 31610.11-2014, ГОСТ Р МЭК 60079-18-2012:1Ex ia ma IIC T6 Gb X для MS DUG11-N-30;1Ex ia ma IIC T4 Gb X для MS DUG11-N-30-C; MS DUG11-N-30-C2; MS DUG11-N-30-H;Знак «Х» в маркировке взрывозащиты выключателей указывает на специальные условия их безопасного применения, заключающиеся в следующем:при эксплуатации выключателей, изготавливаемых с постоянно присоединенным кабелем, при необходимости удлинения кабеля во взрывоопасной зоне, соединение кабелей должно производиться через взрывозащищённую соединительную коробку, которая имеет действующий сертификат соответствия, допускающий возможность её применения во взрывоопасной зоне; при удлинении кабеля вне взрывоопасной зоны возможно применение не взрывозащищенных соединительных коробок со степенью защиты IP, соответствующей категории помещения;к входным искробезопасным электрическим цепям выключателей могут подключаться устройства, выполненные с видом взрывозащиты «искробезопасная электрическая цепь, уровня ia» и имеющие действующие сертификаты соответствия, допускающие возможность их применения во взрывоопасных зонах или вне взрывоопасных зон в качестве связанного электрооборудования. Электрические параметры подключаемых устройств с учетом линии связи: напряжение, ток, мощность, индуктивность и электрическая емкость должны соответствовать искробезопасным параметрам выключателей;при эксплуатации выключателей, выполненных в пластмассовом корпусе необходимо соблюдать меры безопасности по предотвращению возникновения зарядов статического электричества, изложенные в эксплуатационной документации изготовителя;выключатели должны устанавливаться в местах, где исключена возможность воздействия на их оболочку ударных механических нагрузок.Выключатели обеспечивают непрерывный круглосуточный режим работы. Сертификат соответствия № ТС RU C-RU.МН04.В.00266 от 23.04.2015г.Принцип действия основан на замыкании контактов геркона, находящегося в штанге выключателя, под действием постоянного магнита, встроенного в поплавок.Изделие обеспечивает замыкание контактов геркона при уровне жидкости ниже или равном контролируемому уровню. Возможно изменение контролируемого уровня жидкости относительно плоскости крепления выключателя, а также корректировка уровня в зависимости от плотности жидкости смещением крепежных гаек в пределах ±15 мм.
| Характеристики |
| Способ подключения | Кабель |
| Материал корпуса | Д16Т |
| Корпус | Поплавковый |
| Присоединение / Подключение | Провод 2х0,34 L=2м ТУ16,К18-047-2006 |
| Степень защиты по ГОСТ 14254-96 | IP68 |
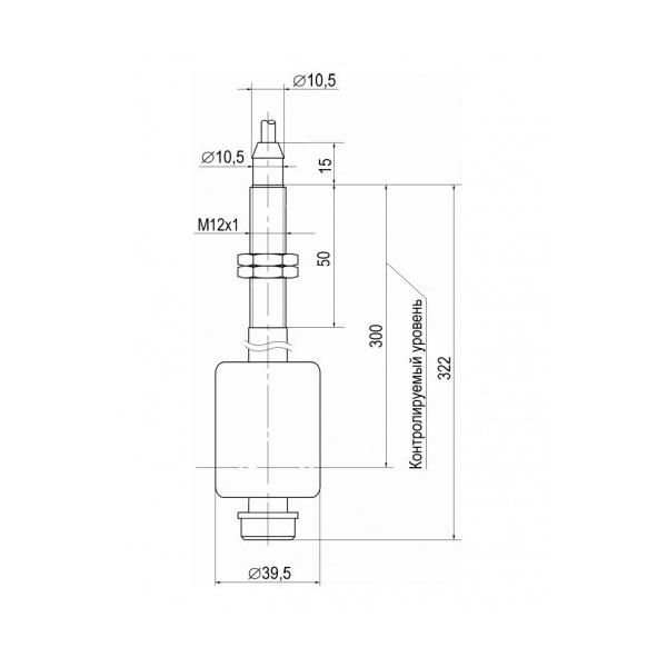
| Длина датчика, A | 322 мм |
| Количество рабочих циклов, не менее | 5x10^5 |
| Коммутируемая мощность, не более | 0,166 Вт |
| Коммутируемое напряжение | 0,1...15,8 В DC |
| Коммутируемый ток, не более | 0,11 А |
| Контролируемый уровень, L | 300 мм |
| Плотность жидкости | 750 кг/м³ |
| Плотность жидкости, при которой точность контроля уровня не хуже (1) | 1000 кг/м³ |
| Диапазон рабочих температур | -40°С...+120°С |
| Специальное исполнение | Взрывобезопасное исполнение |
| Схема подключения | 2х проводный |
| Тип датчика | Герконовый |
По интересующей продукции, пожалуйста свяжитесь по телефонам:
| +375 (29) 661-00-15 |  |
|
Или отправить запрос на нашу электронную почту: sale@teko-com.by