Описание
Выключатель индуктивный бесконтактный взрывозащищенный ISN I7P8-50-N-5 предназначен: - для преобразования бесконтактного воздействия объекта в электрический сигнал для управления исполнительным устройством; - для применения в качестве элемента автоматизированных систем управления технологическими процессами; Область применения – подземные выработки шахт и их наземные строения, опасные по рудничному газу (метану) и (или) горючей пыли, а также взрывоопасные зоны помещений и наружных установок в соответствии с присвоенной маркировкой взрывозащиты, требованиями ГОСТ IEC 60079-14-2011 и отраслевых Правил безопасности, регламентирующих применение данного оборудования во взрывоопасных зонах. Выключатель относится к взрывобезопасному электрооборудованию и имеет маркировку взрывозащиты по ГОСТ Р МЭК 60079-0-2011, ГОСТ Р МЭК 60079-11-2010, ГОСТ Р МЭК 60079-18-2012: - PO Ex ia ma I Ma Х / 0Ex ia ma IIC T6 Ga Х для ISN I7P8-50-N-5; ISN I7P8-50-N-С-5; - PO Ex ia ma I Ma Х / 0Ex ia ma IIC T4 Ga Х для ISN I7P8-50-N-H-5; ISN I7P8-50-N-C2-5. Выключатель обеспечивает непрерывный круглосуточный режим работы.
| Характеристики | |
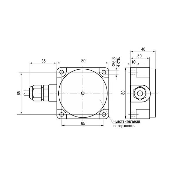
| Размер прямоугольного корпуса, ДлxВxШ | 80x80x40 |
| Тип монтажа | Невстраиваемый |
| Номинальное расстояние срабатывания | 50 мм |
| Способ подключения | Кабель |
| Материал корпуса | Полиамид |
| Корпус | Прямоугольный |
| Диапазон рабочих напряжений, Uраб. | 7,7...9,0 В DC |
| Номинальное напряжение питания, Uном. | 8,2 В |
| Тип контакта / Структура выхода | размыкающий контакт |
| Частота переключения, Fmax | 100 Гц |
| Присоединение / Подключение | Кабель 2х0,34 кв. мм, L=5м. |
| Степень защиты по ГОСТ 14254-96 | IP68 |
| Входное сопротивление согласующего усилителя | 500...1000 Ом |
| Выходной ток на включение | ≥1,8 мА |
| Выходной ток на отключение | ≤1,5 мА |
| Выходной ток с демпфированным генератором | 0,1...1,0 мА |
| Выходной ток с недемпфированным генератором | 2,2...6,0 мА |
| Гистерезис | ≤15% |
| Добавочное сопротивление между выключателем и усилителем | 0...50 Ом |
| Кол-во проводов | 2 |
| Номинальное входное сопротивление согласующего усилителя (1) | 1000 Ом |
| Пульсация питающих напряжений | ≤10% |
| Диапазон рабочих температур | -25°С...+75°С |
| Рабочий зазор | 0...40 мм |
| Собственная емкость выключателя | ≤20 нФ |
| Специальное исполнение | Взрывобезопасное исполнение |
| Схема подключения | 2х проводный |
| Тип датчика | Индуктивный |
| +375 (29) 661-00-15 | ![]() |















