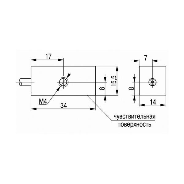
Описание
Выключатель магниточувствительный особовзрывобезопасный MS FE0P6-N (герконовый) предназначен: - для преобразования бесконтактного воздействия объекта в электрический сигнал для управления исполнительным устройством; - для применения в качестве элементов автоматизированных систем управления технологическими процессами; - для установки и эксплуатации в обычных условиях и в местах, где смеси с воздухом горючих газов, паров или пыли способны взрываться при наличии источника поджигания; - для подземных выработок шахт и рудников и их наземных строений, опасных по рудничному газу или пыли в условиях особовзрывоопасной зоны согласно ГОСТ Р 51330.0-99 "Электрооборудование взрывозащищенное. Часть 0. Общие требования", ГОСТ Р МЭК 60079-11-2010 "ВЗРЫВООПАСНЫЕ СРЕДЫ Часть 11 Искробезопасная электрическая цепь «i»". Выключатель относится к особовзрывобезопасному электрооборудованию и имеет маркировку взрывозащиты по ГОСТ Р МЭК 60079-0-2011, ГОСТ Р МЭК 60079-11-2010, ГОСТ Р МЭК 60079-18-2012: - PO Ex ia ma I Ma/ 0 Ex ia ma IIC T6 Ga X. При установке выключателей во взрывоопасной зоне выключатели должны использоваться совместно со связанным электрооборудованием, имеющим вид взрывозащиты "искробезопасная электрическая цепь" с уровнем взрывозащиты ia для взрывоопасных смесей категории I согласно ГОСТ Р 52350.11-2005. Выключатели обеспечивают непрерывный круглосуточный режим работы. Сертификат соответствия № ТС RU C-RU.МН04.В.00266; Разрешение Гостехнадзора России №РРС 00-049207 от 19.10.12.
| Характеристики | |
| Способ подключения | Кабель |
| Материал корпуса | Полиамид |
| Корпус | Прямоугольный |
| Диапазон рабочих напряжений, Uраб. | 0,1...15,8 В DC |
| Номинальное напряжение питания, Uном. | 8,2 В |
| Частота переключения, Fmax | 400 Гц |
| Присоединение / Подключение | Кабель 2x0,34 кв.мм |
| Степень защиты по ГОСТ 14254-96 | IP66 |
| Кол-во проводов | 2 |
| Диапазон рабочих температур | -25°С...+75°С |
| Специальное исполнение | Взрывобезопасное исполнение |
| Схема подключения | 2х проводный |
| Тип датчика | Герконовый |
| Ток выключателя при замкнутых контактах геркона | (Uраб-2)/(1700+Rнагр), A |
| +375 (29) 661-00-15 | ![]() |















