Описание
Выключатель ёмкостный бесконтактный (датчик) CSN EC482B8-43P-20-LZS4-OP1 предназначен для контроля уровня жидкостей с диэлектрической проницаемостью ε ≥ 2 (масло, вода, водные растворы, спирт) и коммутации исполнительных устройств в промышленных автоматизированных устройствах, линиях, станках и системах. Датчик имеет чувствительную поверхность, при погружении которой в контролируемую среду срабатывает пороговое устройство и формируется выходной сигнал электронного ключа датчика, который используется для коммутации электрических цепей и сигнализации.
| Характеристики | |
| Размер корпуса, ДxШxДл | G3/8-Bx110 |
| Тип монтажа | Невстраиваемый |
| Способ подключения | Разъемно-штекерное |
| Материал корпуса | ЛС59-1 |
| Диаметр резьбового корпуса | G3/8-B |
| Длина в мм. | 110 |
| Тип корпуса | Цилиндрический |
| Корпус | G3/8 |
| Максимальный рабочий ток, Imax | 250 мА |
| Диапазон рабочих напряжений, Uраб. | 10...30 В DC |
| Падение напряжения при Imax, Ud | ≤2,5 В |
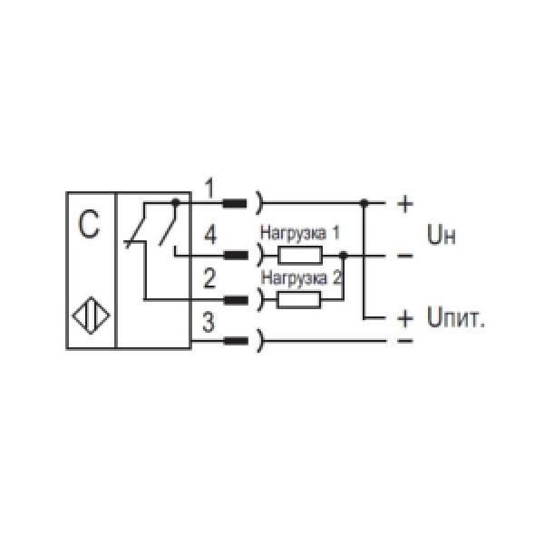
| Тип контакта / Структура выхода | PNP Переключающий |
| Присоединение / Подключение | Соединитель S19, S20 |
| Световая индикация | Есть |
| Комплексная защита | Есть |
| Степень защиты по ГОСТ 14254-96 | IP68 / IP65 |
| Гистерезис | 3...15% |
| Длина чувствительной поверхности L, мм | 20 мм |
| Измерение | Дискретное (пороговое) |
| Кол-во проводов | 4 |
| Максимальное давление со стороны чувств. поверхности | 0,15 MПа |
| Материал чувствительной поверхности | Фторопласт |
| Принцип измерения | Ёмкостный |
| Диапазон рабочих температур | -25°С...+75°С |
| Рабочий зазор | 0...4 мм |
| Схема подключения | 4х проводный |
| Функция выходного сигнала (2) | ИЛИ Переключающий |
| +375 (29) 661-00-15 | ![]() |















