Описание
Выключатель емкостный бесконтактный (датчик) CSN EC87P5-43N-20-LZS4 предназначен для контроля уровня различных материалов (сыпучих, жидких) с величиной относительной диэлектрической проницаемости 2. Датчик также может быть использован в качестве датчика приближения для обнаружения металлических и диэлектрических объектов. Датчик предназначен для работы во взрывобезопасной среде.При приближении к чувствительной поверхности датчика контролируемого объекта срабатывает пороговое устройство и формируется соответствующий выходной сигнал электронного ключа датчика, который используется для коммутации электрических цепей и сигнализации.
| Характеристики | |
| Размер корпуса, ДxШxДл | M30x1,5x96,5 |
| Тип монтажа | Невстраиваемый |
| Номинальное расстояние срабатывания | 20 мм |
| Способ подключения | Разъемно-штекерное |
| Материал корпуса | Полимер (РВТ) |
| Диаметр резьбового корпуса | M30 |
| Длина в мм. | 96,5 |
| Тип корпуса | Цилиндрический резьбовой |
| Корпус | M30х1,5 |
| Диапазон рабочих напряжений, Uраб. | 10...30 В DC |
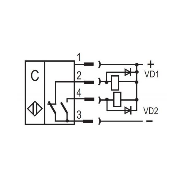
| Тип контакта / Структура выхода | Переключающий (NO+NС) |
| Частота переключения, Fmax | 25 Гц |
| Присоединение / Подключение | CS S19, CS S20, CS S25, CS S251...CS S261 |
| Световая индикация | Есть |
| Комплексная защита | Есть |
| Степень защиты по ГОСТ 14254-96 | IP65 |
| Гистерезис | 2...20% |
| Измерение | Дискретное (пороговое) |
| Коэффициент пульсаций питающего напряжения | ≤15% |
| Падение напряжения при Iраб | ≤2,5В |
| Принцип измерения | Ёмкостный |
| Диапазон рабочих температур | -25°С...+75°С |
| Рабочий зазор | 0...16 мм |
| Рабочий ток, Iраб. | ≤400 мА |
| Схема подключения | 3х проводный |
| Функция выходного сигнала (2) | ИЛИ Переключающий |
| +375 (29) 661-00-15 | ![]() |















