Описание
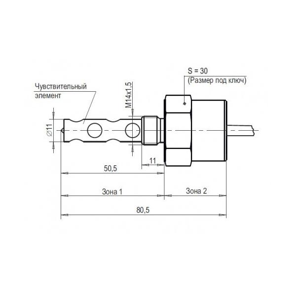
Датчик уровня емкостный ВТИЮ.3241-01 предназначен для контроля уровня жидкостей с диэлектрической проницаемостью 80 - охлаждающая жидкость (вода, антифриз). Датчики предназначены для использования в автомобильном транспорте.При погружении чувствительного элемента в контролируемую среду срабатывает пороговое устройство и формируется соответствующий выходной сигнал электронного ключа датчика, который используется для коммутации электрических цепей и сигнализации.
| Характеристики | |
| Способ подключения | Кабель |
| Материал корпуса | ЛС59-1 |
| Рабочая жидкость | Охлаждающая жидкость (вода, антифриз) |
| Номинальный уровень срабатывания, мм | 18 мм |
| Диапазон рабочих напряжений, Uраб. | 9...32 В DC |
| Изменение уровня в диапазоне рабочих температур | ±5 мм |
| Номинальное напряжение питания, Uном. | 12 В / 24 В DC |
| Тип контакта / Структура выхода | Нормально разомкнутый |
| Диапазон температур окружающей среды | -45°С...+105°С |
| Диапазон температур рабочей жидкости | -45°С...+125°С |
| Присоединение / Подключение | Кабель 3х0,34 кв. мм., L=2 м |
| Степень защиты по ГОСТ 14254-96 | IР68 |
| Гистерезис | ≤10 мм |
| Задержка срабатывания | 5 с |
| Коэффициент пульсаций питающего напряжения | ≤15% |
| Материал чувствительной поверхности | ЛС-59 / POM |
| Падение напряжения при Iраб | ≤0,5В |
| Принцип измерения | Ёмкостный |
| Структура выхода | NPN |
| Функция выходного сигнала (2) | НЗ Размыкающий |
| +375 (29) 661-00-15 | ![]() |















