Описание
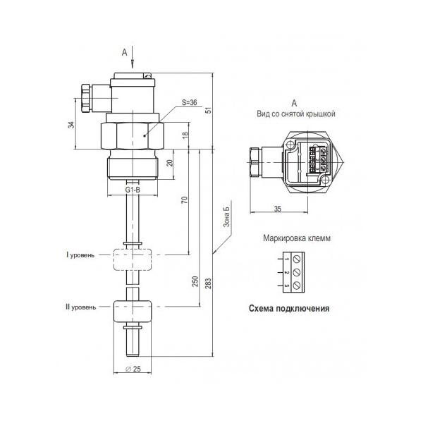
Датчик уровня MS ZDU.000-57 предназначен для контроля уровня жидкости и управления исполнительными устройствами. Сертификат соответствия № TC RU C-RU.АД06.В.00220 от 02.08.2016 г. Замыкание контактов геркона I уровня при уровне жидкости выше или равном верхнему контролируемому уровню (70 мм). Замыкание контактов геркон II уровня при уровне жидкости ниже или равном нижнему контролируемому уровню (250 мм).
| Характеристики | |
| Способ подключения | Клеммник |
| Материал корпуса | ЛС59-1 |
| Тип корпуса | Поплавковый |
| Присоединение / Подключение | Клеммник, диаметр кабеля: 4,3...6,3 мм., макс. сечение жил кабеля 1,5 кв. мм |
| Световая индикация | Нет |
| Длина выключателя, мм | 334 |
| Измерение | Дискретное (пороговое) |
| Коммутируемое напряжение на активной нагрузке | 0,05...220 В AC/DC |
| Коммутируемый ток, Iраб. | 0,01...1 А |
| Максимальный уровень (для поплавковых датчиков) | до 0,5 м |
| Величина контролируемого уровня L, мм | 70 |
| Плотность жидкости, при которой точность контроля уровня не хуже | 880 кг/куб. м |
| Принцип измерения | Поплавковый (магниточувствительный) |
| Диапазон рабочих температур | -40°С...+75°С |
| Способ установки | В контакте со средой |
| Схема подключения | 3х проводный |
| Тип датчика | Поплавковый |
| Функция выходного сигнала (2) | НО Замыкающий |
| Величина контролируемого уровня L2, мм | 250 |
| Число уровней (для поплавковых датчиков) | 2 |
| +375 (29) 661-00-15 | ![]() |















