Описание
Датчик уровня предназначен для контроля уровня жидкости и управления исполнительными устройствами. Датчики предназначены для работы во взрывобезопасной среде, не содержащей агрессивных жидкостей, газов и паров в концентрациях, приводящих к коррозии металлов. Изделие обеспечивает: Размыкание контактов геркона при снижении уровня жидкости ниже контролируемого уровня. Замыкание контактов геркона при достижении жидкостью уровня, на 3...4мм. превышающего контролируемый.
| Характеристики | |
| Способ подключения | Кабель |
| Материал корпуса | Д16Т |
| Тип корпуса | Поплавковый |
| Присоединение / Подключение | Кабель ПМВ 2х0,34 кв. мм |
| Степень защиты по ГОСТ 14254-96 | IP68 |
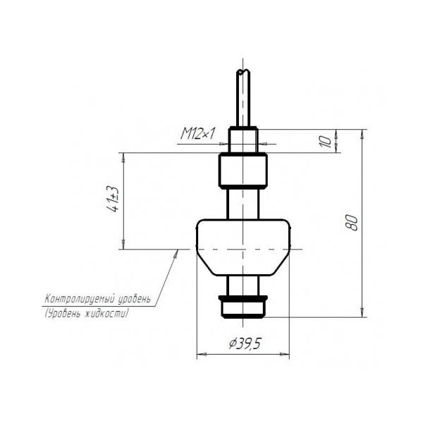
| Длина выключателя, мм | 80 |
| Измерение | Дискретное (пороговое) |
| Коммутируемая мощность для переменного тока | 250 ВА |
| Коммутируемая мощность для постоянного тока | 250 Вт |
| Коммутируемое напряжение, Uраб. | 36...250 В |
| Коммутируемый ток, Iраб. | 0,1...3 А |
| Величина контролируемого уровня L, мм | 41 |
| Плотность жидкости, при которой точность контроля уровня не хуже | 1000 кг/куб. м |
| Принцип измерения | Поплавковый (магниточувствительный) |
| Диапазон рабочих температур | -40°С...+105°С |
| Схема подключения | 2х проводный |
| Тип датчика | Поплавковый |
| Функция выходного сигнала (2) | НО Замыкающий |
| Число уровней (для поплавковых датчиков) | 1 |
| +375 (29) 661-00-15 | ![]() |















