Описание
Датчик ёмкостный аналоговый ВТИЮ.3124-08 (датчик) предназначен для измерения уровня охлаждающей жидкости. Датчик предназначен для работы во взрывоопасной среде, не содержащей агрессивных газов и паров в концентрациях, приводящих к коррозии металлов. Датчик имеет измерительные электроды в виде трубки с помещённым внутри вторым электродом. При изменении уровня охлаждающей жидкости изменяется ёмкость между внешним и внутренним электродами. Изменение ёмкости преобразуется в нормированное изменение тока на выходе датчика. Величина тока пропорциональна уровню охлаждающей жидкости.
| Характеристики | |
| Размер гладкого корпуса, ДxДл | Ø46x608,5 |
| Тип выхода | Аналоговый |
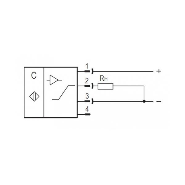
| Способ подключения | Разъемно-штекерное |
| Материал корпуса | 12Х18Н10Т |
| Диаметр гладкого корпуса | Ø46 |
| Длина в мм. | 608,5 |
| Тип корпуса | Цилиндрический |
| Корпус | G3/4 |
| Номинальное напряжение питания, Uном. | 24±20% |
| Присоединение / Подключение | Вилка 2РМДТ18Б4 |
| Степень защиты по ГОСТ 14254-96 | IP68 / IP67 |
| Длина чувствительной поверхности L | 500 мм |
| Измеряемая среда | Охлаждающая жидкость |
| Индикация срабатывания | Нет |
| Коэффициент пульсаций питающего напряжения | ≤15% |
| Погрешность, не более | ±3% |
| Рабочее линейное напряжение | 4...20 мА |
| Диапазон рабочих температур | 0°С...+105°С |
| Сопротивление нагрузки | 300 Ом |
| Специальное назначение | для военной техники с приемкой 5 |
| Схема подключения | 3х проводный |
| +375 (29) 661-00-15 | ![]() |















