Описание
Выключатель магниточувствительный особовзрывобезопасный (датчик) MS DUG2-N-30 предназначен для преобразования беcконтактного воздействия объекта (уровня жидкости) в электрический сигнал для управлениия исполнительным устройством, для работы в среде, не содержащей агрессивных жидкостей, газов и паров в концентрациях, приводящих к коррозии металлов или разрушению материала поплавка (вспенённый эбонит). Принцип действия основан на замыкании контактов геркона, находящегося в штанге выключателя, под действием постоянного магнита, встроенного в поплавок. Изделие обеспечивает переключение контактов геркона при уровне жидкости ниже или равном контролируемому. Возможно изменение контролируемого уровня жидкости относительно плоскости крепления выключателя, а также корректировка уровня в зависимости от плотности жидкости смещением крепежных гаек в пределах ±15 мм. Выключатель обеспечивает бесконтактную коммутацию промышленного оборудования группы I, предназначенного для подземных выработок шахт и рудников и их наземных строений, опасных по рудничному газу с возможными примесями других горючих газов или пыли в условиях особовзрывоопасной зоны, а также для оборудования группы II для применения в местах опасных по взрывоопасным газовым средам согласно ГОСТ Р МЭК 60079-0-2011 и ГОСТ Р МЭК 60079-11-2010. Выключатели относятся к особовзрывобезопасному электрооборудованию и имеют маркировку взрывозащиты по ГОСТ Р 51330.0-99 и ГОСТ Р МЭК 60079-11-2010: PO Ex ia ma I Ma/ 0 Ex ia ma IIC T6 Ga Сертификат соответствия № РОСС RU.МН04.В01226 от 17.08.2012г. Разрешение Ростехнадзора № РРС 00-049207 от 19.10.12
| Характеристики | |
| Способ подключения | Кабель |
| Материал корпуса | ЛС59-1 |
| Корпус | Поплавковый |
| Присоединение / Подключение | Кабель 2х0,34 мм.кв |
| Степень защиты по ГОСТ 14254-96 | IP68 |
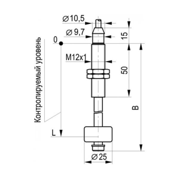
| Длина датчика, B | 326 мм |
| Количество рабочих циклов, не менее | 5x10^5 |
| Коммутируемая мощность, не более | 0,166 Вт |
| Коммутируемое напряжение | 0,1...15,8 В DC |
| Коммутируемый ток, не более | 0,11 А |
| Контролируемый уровень, L | 300 мм |
| Плотность жидкости | 750 кг/м³ |
| Плотность жидкости, при которой точность контроля уровня не хуже (1) | 1000 кг/м³ |
| Диапазон рабочих температур | -25°С...+75°С |
| Специальное исполнение | Взрывобезопасное исполнение |
| Схема подключения | 2х проводный |
| Тип датчика | Герконовый |
| +375 (29) 661-00-15 | ![]() |
















