Описание
Выключатель магниточувствительный особовзрывобезопасный (датчик) MS DUG2S-N-H-6M предназначен для преобразования беcконтактного воздействия объекта (уровня жидкости) в электрический сигнал для управления исполнительным устройством, для работы в качестве элементов автоматизированных систем управления технологическими процессами. Принцип действия основан на замыкании контактов геркона, находящегося в штанге выключателя, под действием постоянного магнита, встроенного в поплавок. Изделие обеспечивает замыкание контактов геркона при уровне жидкости ниже или равном контролируемому. Выключатель обеспечивает бесконтактную коммутацию промышленного оборудования группы I, предназначенного для подземных выработок шахт и рудников и их наземных строений, опасных по рудничному газу с возможными примесями других горючих газов или пыли в условиях особо-взрывоопасной зоны, а также для оборудования группы II для применения в местах опасных по взрывоопасным газовым средам согласно ГОСТ Р МЭК 60079-0-2011 и ГОСТ Р МЭК 60079-11-2010. Выключатели относятся к особо-взрывобезопасному электрооборудованию и имеют маркировку взрывозащиты по ГОСТ 30852.0-2002 и ГОСТ Р МЭК 60079-11-2010: PO Ex ia ma I Ma*/ 0 Ex ia ma IIC T6 Ga* Сертификат соответствия № РОСС RU.МН04.В01226 от 17.08.2012г. Разрешение Ростехнадзора № РРС 00-049207 от 19.10.12
| Характеристики | |
| Способ подключения | Кабель |
| Материал корпуса | 12Х18Н10Т |
| Корпус | Поплавковый |
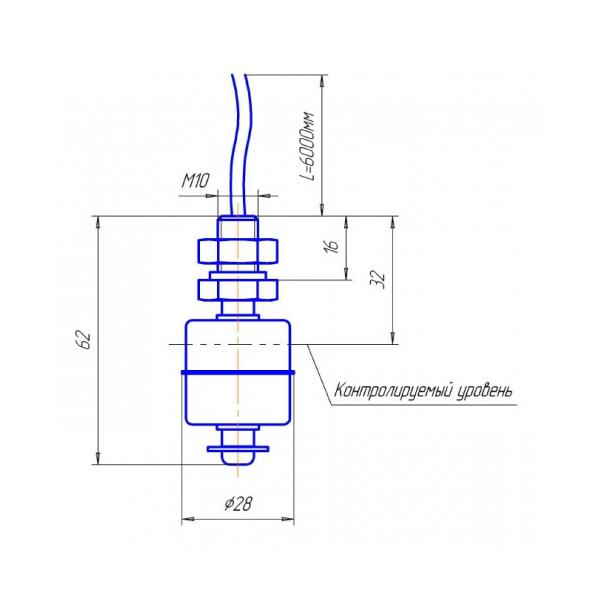
| Присоединение / Подключение | Провод 2х0,34 кв. мм.; L=6 м. |
| Степень защиты по ГОСТ 14254-96 | IP68 |
| Количество рабочих циклов, не менее | 5x10^5 |
| Коммутируемая мощность, не более | 10 Вт |
| Коммутируемое напряжение | 0,05...100 В DC/AC |
| Коммутируемый ток, не более | 0,5 А |
| Контролируемый уровень, Sном | 32 мм |
| Плотность жидкости | 750 кг/м³ |
| Плотность жидкости, при которой точность контроля уровня не хуже (1) | 1000 кг/м³ |
| Диапазон рабочих температур | -50°С...+140°С |
| Специальное исполнение | Взрывобезопасное исполнение |
| Схема подключения | 2х проводный |
| Тип датчика | Герконовый |
| +375 (29) 661-00-15 | ![]() |
















