Описание
Датчик индуктивный особовзрывобезопасный ISB W28S8-1,5-N-50 преобразует бесконтактное воздействие объекта в электрический сигнал, подаваемый на исполнительное устройство как элемент автоматизированных систем управления технологическими процессами; Датчик обеспечивает коммутацию промышленного оборудования группы I для подземных выработок шахт, рудников и их наземных строений, опасных по рудничному газу с возможными примесями других горючих газов или пыли в условиях особовзрывоопасной зоны, а также для оборудования группы II в местах опасных по взрывоопасным газовым средам согласно ГОСТ Р МЭК 60079-0-2011 и ГОСТ Р МЭК 60079-11-2010. Датчик относится к особовзрывобезопасному электрооборудованию, имеет маркировку взрывозащиты PO Ex ia ma I Ma / 0Ex ia ma IIC T6 Ga. Выключатель должен подключаться к сертифицированной электрической цепи уровня “ia” для взрывоопасных смесей категории I согласно ГОСТ Р 52350.11-2005 или группы IIC и может применяться во взрывоопасных зонах в соответствии с требованиями главы 7.3 “Правил устройства электроустановок” и ГОСТ Р 51330.13-99 “Электрооборудование взрывозащищенное. Часть 14. Электроустановки во взрывоопасных зонах". Сертификат соответствия № РОСС RU. МН04.В01226 от 17.08.12; Разрешение Гостехнадзора России №РРС 00-049207 от 19.10.12.
| Характеристики | |
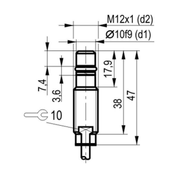
| Размер корпуса, ДxШxДл | M12x1x47 |
| Тип монтажа | Встраиваемый |
| Номинальное расстояние срабатывания | 1,5 мм |
| Способ подключения | Кабель |
| Материал корпуса | 12Х18Н10Т |
| Диаметр резьбового корпуса | M12 |
| Длина в мм. | 47 |
| Корпус | M12x1 |
| Диапазон рабочих напряжений, Uраб. | 7,7...9 В DC |
| Номинальное напряжение питания, Uном. | 8,2 В |
| Тип контакта / Структура выхода | размыкающий контакт |
| Частота переключения, Fmax | 1000 Гц |
| Присоединение / Подключение | Кабель 2х0,34 кв. мм |
| Степень защиты по ГОСТ 14254-96 | IP68 |
| Входное сопротивление согласующего усилителя | 500...1000 Ом |
| Выходной ток на включение | ≥1,8 мА |
| Выходной ток на отключение | ≤1,5 мА |
| Выходной ток с демпфированным генератором | 0,1...1,0 мА |
| Выходной ток с недемпфированным генератором | 2,2...6,0 мА |
| Гистерезис | ≤15% |
| Для жестких условий окружающей среды | для работы в среде высокого давления |
| Добавочное сопротивление между выключателем и усилителем | 0...50 Ом |
| Кол-во проводов | 2 |
| Максимальное давление | 50,0 МПа (500 кг/см²) |
| Номинальное входное сопротивление согласующего усилителя (1) | 1000 Ом |
| Пульсация питающих напряжений | ≤10% |
| Диапазон рабочих температур | -25°С...+85°С |
| Рабочий зазор | 0...1,2 мм |
| Собственная емкость выключателя | ≤30 нФ |
| Специальное исполнение | Взрывобезопасное исполнение |
| Схема подключения | 2х проводный |
| Тип датчика | Индуктивный |
| +375 (29) 661-00-15 | ![]() |
















