Описание
Датчик индуктивный бесконтактный особовзрывобезопасный ISN FS4A-8-N предназначен: - для преобразования бесконтактного воздействия объекта в электрический сигнал для управления исполнительным устройством; - для применения в качестве элементов автоматизированных систем управления технологическими процессами; Датчик относится к особовзрывобезопасному электрооборудованию, имеет маркировку взрывозащиты 1Ex ia ma IIC T6 Gb X, должен подключаться к сертифицированной электрической цепи уровня “ia” группы IIC и может применяться во взрывоопасных зонах в соответствии с требованиями главы 7.3 “Правил устройства электроустановок” и ГОСТ Р 51330.13-99 “Электрооборудование взрывозащищенное. Часть 14. Электроустановки во взрывоопасных зонах (кроме подземных выработок)”. Сертификат соответствия № РОСС RU. МН04.В01226 от 17.08.12; Разрешение Гостехнадзора России №РРС 00-049207 от 19.10.12.
| Характеристики | |
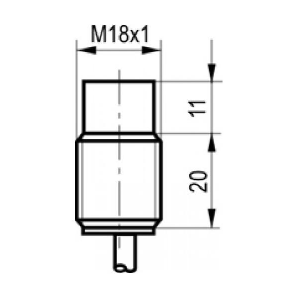
| Размер корпуса, ДxШxДл | M18x1x31 |
| Тип монтажа | Невстраиваемый |
| Номинальное расстояние срабатывания | 8 мм |
| Способ подключения | Кабель |
| Материал корпуса | Д16Т |
| Диаметр резьбового корпуса | M18 |
| Длина в мм. | 31 |
| Корпус | M18x1 |
| Диапазон рабочих напряжений, Uраб. | 7,7...9 В DC |
| Номинальное напряжение питания, Uном. | 8,2 В |
| Тип контакта / Структура выхода | размыкающий контакт |
| Частота переключения, Fmax | 300 Гц |
| Присоединение / Подключение | Кабель 2х0,34 кв. мм |
| Степень защиты по ГОСТ 14254-96 | IP67 |
| Входное сопротивление согласующего усилителя | 500...1000 Ом |
| Выходной ток на включение | ≥1,8 мА |
| Выходной ток на отключение | ≤1,5 мА |
| Выходной ток с демпфированным генератором | 0,1...1,0 мА |
| Выходной ток с недемпфированным генератором | 2,2...6,0 мА |
| Гистерезис | ≤15% |
| Добавочное сопротивление между выключателем и усилителем | 0...50 Ом |
| Кол-во проводов | 2 |
| Номинальное входное сопротивление согласующего усилителя (1) | 1000 Ом |
| Пульсация питающих напряжений | ≤10% |
| Диапазон рабочих температур | -25°С...+75°С |
| Рабочий зазор | 0...6,4 мм |
| Собственная емкость выключателя | ≤30 нФ |
| Специальное исполнение | Взрывобезопасное исполнение |
| Схема подключения | 2х проводный |
| Тип датчика | Индуктивный |
| +375 (29) 661-00-15 | ![]() |
















