Описание
Датчик емкостный аналоговый CSA EC49A8-32P-500U-PR18 предназначен для измерения уровня дизельного топлива или моторного масла.Датчик CSA EC49A8-32P-500U-PR18 имеет измерительные электроды в виде трубки с помещенным внутри вторым электродом. При изменении уровня измеряемой жидкости изменяется емкость между внешним и внутренним электродами. Изменение емкости преобразуется в нормированное изменение тока на выходе датчика. Величина тока пропорциональна уровню жидкости.
| Характеристики | |
| Размер корпуса, ДxШxДл | G3/4x608,5 |
| Тип выхода | Аналоговый |
| Способ подключения | Разъемно-штекерное |
| Материал корпуса | Д16Т |
| Диаметр резьбового корпуса | G3/4 |
| Длина в мм. | 608,5 |
| Тип корпуса | Цилиндрический |
| Корпус | G3/4 |
| Диапазон рабочих напряжений, Uраб. | 19...30 В DC |
| Номинальное напряжение питания, Uном. | 24 В DC |
| Присоединение / Подключение | Вилка 2РМДТ18Б4 |
| Степень защиты по ГОСТ 14254-96 | IP68 / IP67 |
| Защита от короткого замыкания нагрузки | Есть |
| Защита от обратной полярности | Есть |
| Измерение | Аналоговое (непрерывное) |
| Измеряемая среда | нефтепродукты (масло, дизельное топливо, керосин и т.п.) |
| Индикация срабатывания | Нет |
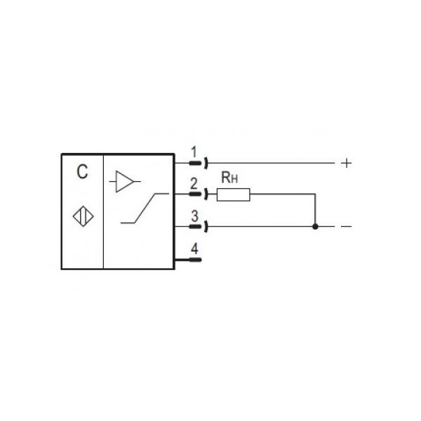
| Кол-во проводов | 3 |
| Коэффициент пульсаций питающего напряжения | ≤15% |
| Материал чувствительной поверхности | Д16Т |
| Величина контролируемого уровня L, мм | 500 мм |
| Погрешность, не более | ±3% |
| Принцип измерения | Ёмкостный |
| Диапазон рабочих температур | 0°С...+105°С |
| Регулировка чувствительности | Есть |
| Сопротивление нагрузки | Rн ≤ 300 Ом |
| Схема подключения | 3х проводный |
| Ток потребления, не более, мА | 15 |
| +375 (29) 661-00-15 | ![]() |















