Описание
Выключатель ёмкостный бесконтактный (датчик) CSN ET8A5-31P-20-LZ предназначен для бесконтактной коммутации исполнительных устройств в промышленных автоматизированных устройствах, линиях, станках и системах. Датчик имеет чувствительную поверхность, образованную двумя электродами конденсатора, включенного в цепь обратной связи высокочастотного генератора. Приближение объекта воздействия из металла или диэлектрика к чувствительной поверхности увеличивает емкость между электродами конденсатора и вызывает увеличение амплитуды колебаний генератора. При достижении амплитудой генератора порогового значения, схемой управления формируется выходной сигнал электронного ключа датчика, который используется для коммутации электрических цепей и сигнализации.
| Характеристики | |
| Возможные замены | СЕНСОР ВБЕ-Ц30-96К-2111-ЗА |
| Размер корпуса, ДxШxДл | M30x1,5x97 |
| Тип монтажа | Невстраиваемый |
| Номинальное расстояние срабатывания | 20 мм |
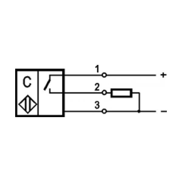
| Способ подключения | Клеммы |
| Материал корпуса | Д16Т |
| Диаметр резьбового корпуса | M30 |
| Длина в мм. | 97 |
| Тип корпуса | Цилиндрический резьбовой |
| Корпус | M30х1,5 |
| Максимальный рабочий ток, Imax | 400 мА |
| Диапазон рабочих напряжений, Uраб. | 10...30 В DC |
| Падение напряжения при Imax, Ud | ≤2,5 В |
| Тип контакта / Структура выхода | PNP Замыкающий |
| Частота переключения, Fmax | 150 Гц |
| Присоединение / Подключение | Клеммник |
| Световая индикация | Есть |
| Комплексная защита | Есть |
| Степень защиты по ГОСТ 14254-96 | IP65 |
| Гистерезис | 3...15% |
| Измерение | Дискретное (пороговое) |
| Кол-во проводов | 3 |
| Принцип измерения | Ёмкостный |
| Диапазон рабочих температур | -25°С...+75°С |
| Рабочий зазор | 0...16 мм |
| Схема подключения | 3х проводный |
| Функция выходного сигнала (2) | НО Замыкающий |
| +375 (29) 661-00-15 | ![]() |















